全球最实用的IT互联网站!
人工智能P2P分享搜索全网发布信息网站地图标签大全
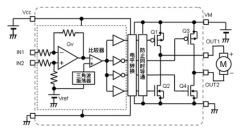
无刷直流电机电路图
阅读全文2023-03-06
无刷直流电机设计流程
基于AUTOSAR的电机驱动控制系统开发
无刷直流电机控制系统是什么
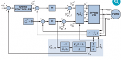
用于超高效电机控制的无传感器矢量控制技术
PLC和电气的知识要点图解介绍
有刷电机单开关电路驱动、半桥电路驱动方法
三相全波无刷电机的结构
有刷直流电机和无刷直流电机工作原理解析
有刷直流电机以BTL放大器输入形式的PWM驱动
pwm控制的基本原理
日本HarmonicDrive哈默纳科谐波减速机的三大
支持工业4.0工厂的大规模定制、高质量和
机器视觉系统的主要工作流程是怎样的
CPU | 内存 | 硬盘 | 显卡 | 显示器 | 主板 | 电源 | 键鼠 | 网站地图
Copyright © 2025-2035 诺佳网 版权所有 备案号:赣ICP备2025066733号 本站资料均来源互联网收集整理,作品版权归作者所有,如果侵犯了您的版权,请跟我们联系。