全球最实用的IT互联网站!
人工智能P2P分享搜索全网发布信息网站地图标签大全
电机调速方法有哪三种 电动机的同步转速怎么算
阅读全文2023-03-06
三相异步电动机的点动控制原理详解
三相异步电动机的正反转控制原理详解
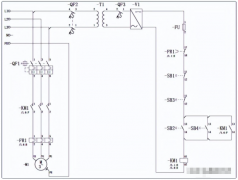
三相异步电动机多地拖动控制电路原理分析
简述三相异步电动机的组成 三相异步电动机种类
额定电机功率怎么计算
电动机正反转的工作原理及接线方法
额定电机怎么调速
电动机控制电路的工作原理
交流变频电机原理
pwm控制的基本原理
日本HarmonicDrive哈默纳科谐波减速机的三大
支持工业4.0工厂的大规模定制、高质量和
机器视觉系统的主要工作流程是怎样的
CPU | 内存 | 硬盘 | 显卡 | 显示器 | 主板 | 电源 | 键鼠 | 网站地图
Copyright © 2025-2035 诺佳网 版权所有 备案号:赣ICP备2025066733号 本站资料均来源互联网收集整理,作品版权归作者所有,如果侵犯了您的版权,请跟我们联系。