全球最实用的IT互联网站!
人工智能P2P分享搜索全网发布信息网站地图标签大全
怎么控制双电容单相电机的正反转
阅读全文2023-03-03
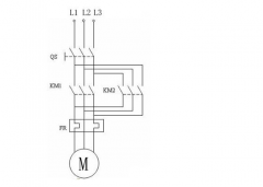
三相电机为什么有正反转
直线伺服电机的构造与原理
变频电机和异步电机的区别
变频电机怎么调速度快_变频电机维修
变频电机的功率计算_变频电机的扭矩与频率的关
变频电机的工作原理是什么_变频电机型号表示方
变频电机接线方法_变频电机接线方法的标准
变频电机的能耗等级_变频电机调试方法
定频电机和变频电机的区别
pwm控制的基本原理
日本HarmonicDrive哈默纳科谐波减速机的三大
支持工业4.0工厂的大规模定制、高质量和
机器视觉系统的主要工作流程是怎样的
CPU | 内存 | 硬盘 | 显卡 | 显示器 | 主板 | 电源 | 键鼠 | 网站地图
Copyright © 2025-2035 诺佳网 版权所有 备案号:赣ICP备2025066733号 本站资料均来源互联网收集整理,作品版权归作者所有,如果侵犯了您的版权,请跟我们联系。