全球最实用的IT互联网站!
人工智能P2P分享搜索全网发布信息网站地图标签大全
有刷直流电机绕线方法及怎么测量好坏
阅读全文2023-03-02
浅谈三菱系列不得不知的四个高频问题
浅谈PLC控制器频率与伺服驱动器和负载转速
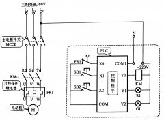
PLC控制的电机正反转电路讲解
伺服电动机控制电路原理详解
单极性两相步进电动机的驱动方式
两台电动机顺序启/停的PLC控制电路
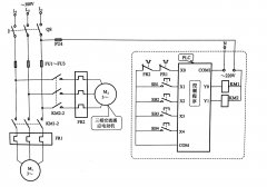
三相交流电动机的PLC连续控制电路原理图解
PLC的输出意义以及如何实现
针对西门子变频器故障代码为F0002的故障信息分享
pwm控制的基本原理
日本HarmonicDrive哈默纳科谐波减速机的三大
支持工业4.0工厂的大规模定制、高质量和
机器视觉系统的主要工作流程是怎样的
CPU | 内存 | 硬盘 | 显卡 | 显示器 | 主板 | 电源 | 键鼠 | 网站地图
Copyright © 2025-2035 诺佳网 版权所有 备案号:赣ICP备2025066733号 本站资料均来源互联网收集整理,作品版权归作者所有,如果侵犯了您的版权,请跟我们联系。