全球最实用的IT互联网信息网站!
AI人工智能P2P分享&下载搜索网页发布信息网站地图
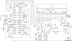
125W D类超低音功率放大器电路设计
阅读全文2009-12-24
首款实现3DTV、MEMC和调光的单芯片解决方案
阅读全文2009-12-23
宽动态摄像机技术发展与应用
阅读全文2009-12-18
数字视频基本知识探讨
红外摄像机夜视监控系统的四项问题
闭路电视监控系统防雷介绍
液晶面板拖垮上广电 或被并入仪电集团
阅读全文2009-12-15
液晶电视价格黑色星期五下跌22%
恩智浦全新的TDA18272为硅调谐器订立了基准
阅读全文2009-12-14
HDMI高清线材的选择方法
阅读全文2009-12-12
低成本、易部署、更高效 | 千视全NDI IP剧
音频电路供电没有负压也能正常输出的原
富信推出新款双P沟道增强型场效应管FS
制冷系统和制冷机一样吗 制冷系统和制冷
CPU | 内存 | 硬盘 | 显卡 | 显示器 | 主板 | 电源 | 键鼠 | 网站地图
Copyright © 2025-2035 诺佳网 版权所有 备案号:赣ICP备2025066733号 本站资料均来源互联网收集整理,作品版权归作者所有,如果侵犯了您的版权,请跟我们联系。