全球最实用的IT互联网信息网站!
AI人工智能P2P分享&下载搜索网页发布信息网站地图
[组图]6-8W双音频功率放大电路HA1394
阅读全文2006-04-15
[组图]顶级电子管OTL耳机放大器
[图文]斯巴克Cayin230C合并式晶体管放大器设计分析
[组图]凤之声AV-999五声道高保真放大器设计分析
[组图]欧博M100KIT胆机套件的摩机
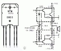
[组图]采用SAP15N/P音响对管的甲类功率放大器
三极管中频放大电路
[组图]HA1392音频功率放大电路
阅读全文2006-04-14
[组图]BA系列常用音频放大电路
[组图]HA1377音频功率放大电路
低成本、易部署、更高效 | 千视全NDI IP剧
音频电路供电没有负压也能正常输出的原
富信推出新款双P沟道增强型场效应管FS
制冷系统和制冷机一样吗 制冷系统和制冷
CPU | 内存 | 硬盘 | 显卡 | 显示器 | 主板 | 电源 | 键鼠 | 网站地图
Copyright © 2025-2035 诺佳网 版权所有 备案号:赣ICP备2025066733号 本站资料均来源互联网收集整理,作品版权归作者所有,如果侵犯了您的版权,请跟我们联系。