全球最实用的IT互联网信息网站!
AI人工智能P2P分享&下载搜索网页发布信息网站地图
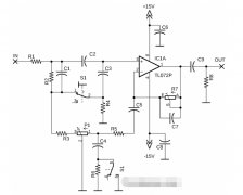
分享一个自动响度控制电路
阅读全文2023-04-08
基于TDA1554的立体声放大器电路
什么是矿石收音机,矿石收音机内部拆解分析
阅读全文2023-04-07
新闻速递 | 虹科与Xarion正式建立合作伙伴关系
机器视觉系统图像采集卡是什么?
阅读全文2023-04-06
新增扬声器!HAT-SPK2上线
四晶体管收音机DIY设计案例
音频感知的主观属性和名词解释
高清音频系统的基础是什么
拆解0.98米买的离线语音声控小夜灯电路
阅读全文2023-04-04
低成本、易部署、更高效 | 千视全NDI IP剧
音频电路供电没有负压也能正常输出的原
富信推出新款双P沟道增强型场效应管FS
制冷系统和制冷机一样吗 制冷系统和制冷
CPU | 内存 | 硬盘 | 显卡 | 显示器 | 主板 | 电源 | 键鼠 | 网站地图
Copyright © 2025-2035 诺佳网 版权所有 备案号:赣ICP备2025066733号 本站资料均来源互联网收集整理,作品版权归作者所有,如果侵犯了您的版权,请跟我们联系。