全球最实用的IT互联网信息网站!
AI人工智能P2P分享&下载搜索网页发布信息网站地图
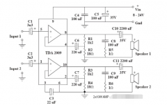
基于TDA2009A的2x10W音频放大器电路
阅读全文2022-08-21
电热水壶是如何进行工作的
阅读全文2022-08-20
秒变AI无主灯艾拉物联智能照明驱动Driver唤醒极智
电视盒子哪款好?【师兄测评】分享最受欢迎电
阅读全文2022-08-19
AM收音机整机电路原理图的分析方法
使用基于TIP35C的12V音频功率放大器来驱动扬声器
使用RDA5807构建一个Arduino FM收音机
共振音频系统设计方案解析
最好用的投影仪是哪个品牌?代理商总结线下热
阅读全文2022-08-18
互联网通信协议(TCP/IP协议)分层模型介绍
低成本、易部署、更高效 | 千视全NDI IP剧
音频电路供电没有负压也能正常输出的原
富信推出新款双P沟道增强型场效应管FS
制冷系统和制冷机一样吗 制冷系统和制冷
CPU | 内存 | 硬盘 | 显卡 | 显示器 | 主板 | 电源 | 键鼠 | 网站地图
Copyright © 2025-2035 诺佳网 版权所有 备案号:赣ICP备2025066733号 本站资料均来源互联网收集整理,作品版权归作者所有,如果侵犯了您的版权,请跟我们联系。