阅读全文2025-04-01
OPA992 单路、40V、10.6MHz、轨到轨输入/输出、低失
阅读全文2025-04-01
AMC1411-Q1 具有高CMTI的汽车类2V输入、精密电压检测
阅读全文2025-04-01
THS4541-DIE 负轨输入、轨到轨输出、精密850MHz全差
阅读全文2025-04-01
TLV9362 双路、40V、10.6MHz轨到轨输出运算放大器技
阅读全文2025-04-01
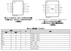
TLV9162 双通道、16V、11MHz、轨到轨输入和输出低失
阅读全文2025-04-01
TLV9361 单路、40V、10.6MHz轨到轨输出运算放大器技
阅读全文2025-04-01
TLV9161 单路、16V、11MHz、轨到轨输入/输出、低失调
阅读全文2025-04-01
OPA863 单通道、低功耗、110MHz、12V、轨到轨输入和
阅读全文2025-04-01