全球最实用的IT互联网站!
人工智能P2P分享搜索全网发布信息网站地图标签大全
东芝推出30V N沟道共漏极MOSFET适用于电池组保护
阅读全文2023-11-09
为什么要进行IGBT寿命估算?IGBT寿命估算工具能做
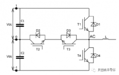
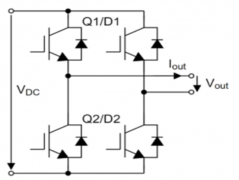
IGBT应用于“T”字型三电平逆变器的工作原理详解
聊一下IGBT驱动中的参考电位问题
IGBT广泛应用于“I”字型三电平环流场景的详解
提高电动汽车性能的SiC电力电子器件
请问A/D转换器的模拟地和数字地如何分割才能更
什么是igbt短路测试?igbt短路测试平台
变容二极管直接调频电路实验
阅读全文2023-11-08
DSP28335的ADC模块使用介绍
数字电压表设计教程之LTC2308数据手册解读
慧能泰负载开关HUSB305A产品介绍
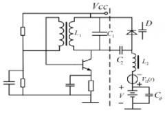
德州仪器新型单级转换器助力微型逆变器
IGBT短路失效分析
CPU | 内存 | 硬盘 | 显卡 | 显示器 | 主板 | 电源 | 键鼠 | 网站地图
Copyright © 2025-2035 诺佳网 版权所有 备案号:赣ICP备2025066733号 本站资料均来源互联网收集整理,作品版权归作者所有,如果侵犯了您的版权,请跟我们联系。