全球最实用的IT互联网站!
人工智能P2P分享搜索全网发布信息网站地图标签大全
高性能探头放大器性能验证教学
阅读全文2023-09-12
555定时器芯片内部引脚图和电路分析 等效图分析
黑金AN9238模块参数概述
阅读全文2023-09-11
DCDC拓扑之BUCK电路详解
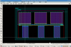
采用calibre进行后仿真的方法
220V指示灯电路哪个更好一些?
一种具有优异导热性能的石墨烯/氮化硼复合薄膜
反相器链路版图验证步骤
ic设计属于嵌入式吗 ic设计和fpga设计有什么不同
电压低了用稳压器好还是增压器好
数字电压表设计教程之LTC2308数据手册解读
慧能泰负载开关HUSB305A产品介绍
德州仪器新型单级转换器助力微型逆变器
IGBT短路失效分析
CPU | 内存 | 硬盘 | 显卡 | 显示器 | 主板 | 电源 | 键鼠 | 网站地图
Copyright © 2025-2035 诺佳网 版权所有 备案号:赣ICP备2025066733号 本站资料均来源互联网收集整理,作品版权归作者所有,如果侵犯了您的版权,请跟我们联系。