全球最实用的IT互联网站!
人工智能P2P分享搜索全网发布信息网站地图标签大全
常用基本逻辑门电路有哪些?复合逻辑门电路介
阅读全文2023-08-17
电脑电源为什么不用氮化镓 氮化镓充电器好还是
直流双臂电桥的基本原理 直流双臂电桥的使用
半导体下行 碳化硅热度却愈演愈烈
分享一种华为路由器通过IPsec实现总部和分支私网
替代AD7893,国产12位ADC SC1421可用于分布式控制系
如何加速PCIe仿真
“FPGA研发及创新应用实验室”揭牌仪式暨技术交
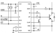
如何更好的使用EiceDRIVER™ IC驱动SiC MOSFET
eMMC模块电路的PCB设计建议
数字电压表设计教程之LTC2308数据手册解读
慧能泰负载开关HUSB305A产品介绍
德州仪器新型单级转换器助力微型逆变器
IGBT短路失效分析
CPU | 内存 | 硬盘 | 显卡 | 显示器 | 主板 | 电源 | 键鼠 | 网站地图
Copyright © 2025-2035 诺佳网 版权所有 备案号:赣ICP备2025066733号 本站资料均来源互联网收集整理,作品版权归作者所有,如果侵犯了您的版权,请跟我们联系。