全球最实用的IT互联网站!
人工智能P2P分享搜索全网发布信息网站地图标签大全
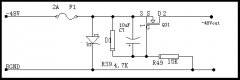
如何制作一个焦耳小偷电路呢?
阅读全文2023-08-14
谈谈boost升压电路的充放电过程及其工作模式
Sandia Labs发明一种硅上集成微光学器件的方法
基于太赫兹超表面的热控光学加密技术介绍
半导体之ICT技术先通孔的过程详解
GAD7980(替代AD7980)在血压检测仪中的应用方案
如何利用55 nm BCD技术实现高性能SPAD呢?
用于高通量单液滴的操纵和生成的有源矩阵数字
缓启动电路作用 缓启动电路的功能
Nexperia(安世半导体)率先推出纽扣电池寿命和功
数字电压表设计教程之LTC2308数据手册解读
慧能泰负载开关HUSB305A产品介绍
德州仪器新型单级转换器助力微型逆变器
IGBT短路失效分析
CPU | 内存 | 硬盘 | 显卡 | 显示器 | 主板 | 电源 | 键鼠 | 网站地图
Copyright © 2025-2035 诺佳网 版权所有 备案号:赣ICP备2025066733号 本站资料均来源互联网收集整理,作品版权归作者所有,如果侵犯了您的版权,请跟我们联系。