全球最实用的IT互联网站!
人工智能P2P分享搜索全网发布信息网站地图标签大全
整流桥热阻是什么 整流桥前为什么加电阻
阅读全文2023-08-16
某电磁炉热敏电阻测温原理图
diode在电路中是什么意思 diodes二极管有效期
mosfet和mos管的区别 MOSFET的工作原理
如何安装HEIC/HEVC编解码器呢?
微重力下3D组织结构的生物制造及其在人体病理生
电力电子技术基础知识点总结
阅读全文2023-08-15
金属-氧化半导体外效晶体管和隔热双极晶体管的
反激式拓扑结构的优点是什么
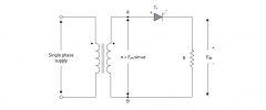
单相整流器工作原理 Fed PWM控制的原则
数字电压表设计教程之LTC2308数据手册解读
慧能泰负载开关HUSB305A产品介绍
德州仪器新型单级转换器助力微型逆变器
IGBT短路失效分析
CPU | 内存 | 硬盘 | 显卡 | 显示器 | 主板 | 电源 | 键鼠 | 网站地图
Copyright © 2025-2035 诺佳网 版权所有 备案号:赣ICP备2025066733号 本站资料均来源互联网收集整理,作品版权归作者所有,如果侵犯了您的版权,请跟我们联系。