全球最实用的IT互联网站!
人工智能P2P分享搜索全网发布信息网站地图标签大全
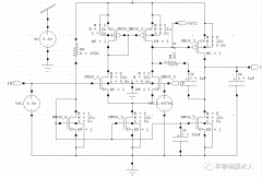
gm/Id方法设计二级OTA(2)—电流镜式放大器介绍
阅读全文2023-07-05
gm/Id方法设计二级OTA(1)—器件仿真
SPECTER器件特性分析
N+缓冲层结构对MCT瞬态特性(TLP)的影响
跨导放大器噪声分析
OTG硬件检测电路介绍
LM358的工作电压范围
阅读全文2023-07-04
放大器Vos失调电压的产生与影响
单相半波整流电路详解
用图说明精密半波整流电路的结构和原理
数字电压表设计教程之LTC2308数据手册解读
慧能泰负载开关HUSB305A产品介绍
德州仪器新型单级转换器助力微型逆变器
IGBT短路失效分析
CPU | 内存 | 硬盘 | 显卡 | 显示器 | 主板 | 电源 | 键鼠 | 网站地图
Copyright © 2025-2035 诺佳网 版权所有 备案号:赣ICP备2025066733号 本站资料均来源互联网收集整理,作品版权归作者所有,如果侵犯了您的版权,请跟我们联系。