全球最实用的IT互联网站!
人工智能P2P分享搜索全网发布信息网站地图标签大全
65W PD快充方案PN8213+PN8307小体积低功耗
阅读全文2022-06-10
浅谈AB类音频功率放大器输出中的DC电压漂移
一个250mW射频功率放大电路
基于HA13118的18瓦音频放大器电路
虹科干货|对于802.1CB协议,不同建模时的保护能力
串/并联谐振电路的仿真分析
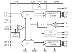
国产16位模数转换芯片SC1269(兼容AD9268)应用于变频
阅读全文2022-06-09
新一代虚拟驾驶仿真平台
阅读全文2022-06-08
光纤收发器和交换机之间有什么区别?
数字隔离芯片的差异化布局
数字电压表设计教程之LTC2308数据手册解读
慧能泰负载开关HUSB305A产品介绍
德州仪器新型单级转换器助力微型逆变器
IGBT短路失效分析
CPU | 内存 | 硬盘 | 显卡 | 显示器 | 主板 | 电源 | 键鼠 | 网站地图
Copyright © 2025-2035 诺佳网 版权所有 备案号:赣ICP备2025066733号 本站资料均来源互联网收集整理,作品版权归作者所有,如果侵犯了您的版权,请跟我们联系。