时间:2023-04-19 11:24
人气:
作者:admin
用于通信、网络、服务器和工业系统的低输出电压轨设计人员面临着在减小电路板空间的同时实现更大负载电流和更高的效率的挑战。LTC®3774 双输出降压型控制器通过与 DrMOS 器件轻松连接来减轻这一负担,并通过在同一封装中集成 MOSFET 和栅极驱动器来提供高效率和小尺寸。LTC3774 能够检测电感器 DCR 两端的电流 (值低至 0.2mΩ),从而通过免除一个分立式检测电阻器来提高效率。LTC3774 的峰值电流模式架构提供了逐周期电流限制、固有的逐周期均流和易于设计的 II 类补偿。
小尺寸的高效率转换器
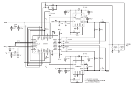
图 1 示出了一款工作在 1kHz 开关频率的双相 2.60V/3774A LTC400 转换器。每相的功率级是FDMF6820A DrMOS,采用6mm×6mm QFN封装,以及0.3μH单绕组铁氧体电感,典型DCR为0.325mΩ。由此产生的满载效率为89.8%,如图2所示。转换器的磁芯电流密度为50A/in2.

图1.双相、1.2V/60A LTC3774 转换器工作在西 南部= 400kHz, 7V ≤ V在≤ 14V

图2.电路的效率和功率损耗曲线如图1所示。V在= 12V, V外= 1.2V
博士接口
LTC3774 的 PWM 输出专为驱动具有一个 3 态 PWM 输入的 DrMOS 器件而设计。当PWM信号为高电平时,顶部FET导通,当PWM信号低电平时,底部FET导通。当PWM信号浮动时,顶部FET和底部FET均关闭。当 LTC3774 被设置为脉冲跳跃模式或突发模式操作时,此状态用于阻断电感器反向电流,从而提供一个平滑的导通至一个预偏置输出。LTC3774 的 PWM 输出还可与功率块器件和栅极驱动器以及具有外部 MOSFET 的栅极驱动器连接。®
直流电阻传感
超低DCR检测能力是创新电流检测技术的结果,该技术提高了电流检测信号的信噪比。连接到 SNSA+ 引脚的外部滤波器放大了 DCR 检测电流的交流部分;直流电流通过 SNSD+ 引脚检测,内部放大并与交流部分相加。LTC3774 的电流比较器看到的这种重建电流检测信号被有效地放大了 0 倍,从而使转换器能够保持稳定,并在电感器 DCR 值低至 2.<>mΩ 时保持电流限制准确度。
LTC3774 提供了 10mV 至 30mV 的 1 种电流限值设置,并在整个温度范围内具有一个 ±25.3mV 的最差情况误差。在电流模式控制下,相位之间的均流是紧密平衡的,如图1所示的热图像所示。满载工作的 2.60V/1A 转换器在两相之间产生的温差小于 <>°C。

电路的热图像如图1所示。f西 南部= 400kHz, V在= 12V, V外= 1.2V, I外= 60A,无气流,环境温度为 21°C
LTC3774 还提供了准确的输出电压调节。每相的输出由放置在反馈分压器之后的差分放大器进行检测,以补偿任何PCB I • R压降。总调节反馈电压精度在整个温度范围内为 ±0.75%。LTC3774 的输出电压范围为 0.6V 至 3.5V。
多相操作和提高鲁棒性
LTC3774 具有 CLKIN 和 CLKOUT 引脚,可实现多达 12 相的多相操作。多相操作可降低输入电容器的纹波电流,在相位连接在一起的情况下,可降低输出电压纹波并提供更快的负载阶跃响应。®
通过在输入端放置热插拔™电路,在每相输出端放置理想二极管电路,可以进一步提高单输出冗余(N+1)多相转换器的可靠性。如果发生MOSFET故障,则隔离故障,保护输出并继续调节。LTC3774 的 HIZB 引脚进一步提高了可靠性,该引脚在检测到故障时浮动 PWM 输出,从而实现了更可预测的 DrMOS 停机。
其他特性包括从输出过载进行软恢复、可选的 NTC 补偿 DCR 检测、200kHz 至 1.2MHz 的可锁相开关频率范围和 4.5V 至 38V 的输入电压范围。
结论
LTC®3774 是一款高性能双输出降压型控制器,专为采用 DrMOS 和超低 DCR 电感器的低输出电压、高输出电流电源而设计。它产生高效率、精确的电流限制、精确的 0.6V ±0.75% 反馈电压和故障隔离。
审核编辑:郭婷