时间:2023-04-11 11:49
人气:
作者:admin
01带隔离变压器DC-DC
前面介绍了四种基本的非隔离DC-DC变换器结构,它们有一个共同点就是输入输出存在直接的电气连接,然而在实际应用中,由于电压等级变换、安全、系统串并联等原因,需要进行输入和输出的电气隔离。 在基本的非隔离DC-DC变换器(如Buck、Boost、Buck-Boost和Cuk变换器)中加入变压器,就可以派生出带隔离变压器的DC-DC变换器。 比如,Buck变换器可以派生出单端正激变换器、桥式变换器、电压型推挽变换器等; Boost变换器可以派生出电流型推挽变换器等; Buck-Boost变换器可以派生出单端反激变换器等。
在DC-DC变换器中,变压器的作用主要是隔离,一定情况下也能起到变压的作用。 应用在隔离DC-DC变换器中的变压器是高频变压器,工作原理与其他类型的隔离变换器不同,变压器铁芯必须加气隙。 关于变压器的设计,是一个重要又复杂的过程。
今天,我们主要来聊聊单端正激变换器,所谓的单端变换器,是指变压器磁通仅在单方向变换的变换器。
02单端正激(Forward Converter)
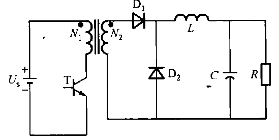
单端正激变换器由Buck变换器派生而来。 如下图

这是Buck变换器的拓扑图,在虚线位置插入一个隔离变压器,便可以得到单端正激变换器,如下图:

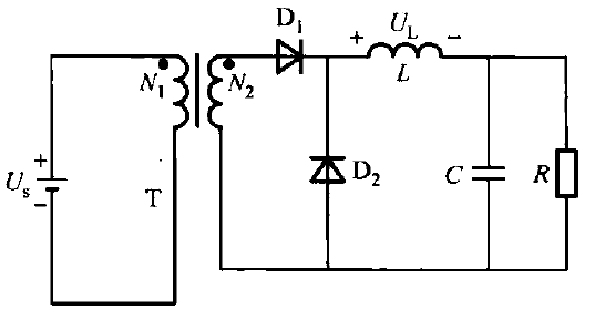
当开关管T闭合时,工作状态如下图:

根据图中的同名端表示,可以知道变压器副边也流过电流,D1导通,D2截止,电感电压为正,变压器副边的电流线性上升。 在Dc*Ts期间,电感电压为

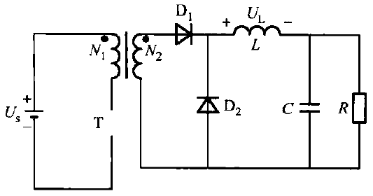
当开关管T关断时,工作状态如下图:

变压器副边没有电流流过,负载电流经反并联二极管D2续流,在(1-Dc)*Ts期间,电感电压为负,电流线性下降
uL=-Uo
在稳态时,电感电压在一个周期内积分为零,因此

得到

由上式可见,单端正激变换器的电压增益与开关导通占空比成正比,这和Buck变换器类似,不同的是比后者多了一个变压器的变比。
在上边分析电压增益时考虑的是电感电压在一个周期内累积为零的关系,前面的分析中我们也有从电感电流或者电感磁通的角度出发,这三者的本质是一样的,都是电感磁芯中的磁通平衡。
工作中我接触的基本都是反激式变换器,正激式的没接触到过,今天我们知识简单地介绍了下正激变换器,更多细节没有涉及到,后面我们可以慢慢来聊。
下一篇:单端反激变换器的工作原理