时间:2023-04-11 11:51
人气:
作者:admin
1单端反激变换器(Flyback Converter)
反激变换器,在开关管导通时电源将电能转化为磁能储存在变压器中,当开关管关断时再将磁能变为电能传送给负载。 (正激变换器正好相反)。
单端反激变换器有Buck-Boost变换器派生而来。 下图是Buck-Boost变换器的原理图:


将虚线框中的电感L用隔离变压器代替,实现输入和输出的电气隔离,即得到下图所示的单端反激变换器。

反激变换器具有以下几个特点:
①电路简单,效率高;
②输出电压纹波较大;
③处理功率一般在150W以下,常用于如控制系统所需的辅助电源;
④非常适合小功率多组输出的场合使用。
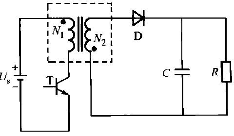
它由开关管T、整流二极管D、电容C和变压器构成的,变压器有两个绕组:一次绕组P和二次绕组S,绕组数分别用N1和N2表示,其同名端标示如上图的"●"所示,两个绕组要紧密耦合。 开关管T按照PWM方式工作。
2基本工作原理
当开关管导通时,二极管D截止,这时电源输入的能量以磁能的形式储存于变压器中; 开关管T关断期间,二极管D导通,变压器中储存的能量传输给负载。 两种工作情况如下图所示:

同样的,反激变换器也存在三种工作方式:电流连续、电流断续和电流临界连续。 这里的电流指的是变压器原边或者副边的电流,我们称为磁化电流。 电流连续和电流断续的工作波形如下图:

磁化电流连续模式
①开关管T导通时,电源电压Us加在一次绕组N1上,此时二次绕组N2的感应电压为
uN2=-N2/N1*Us
符号表示上负下正(副边同名端为正),则二极管D1截止,负载电流由滤波电容C提供。
此时,变压器的二次绕组开路,只有一次绕组工作,相当于一个电感,其电感量为L1,因此一次绕组电流ip从Ipmin开始线性增加,在t=t1时,达到最大值Ipmax。
Ipmax=Ipmin+Us/L1*DcT
在此过程中,磁芯中的磁通线性增加,由U=NΔΦ/Δt可得磁通增量为
ΔΦ(+)=Us/N1*DcTs
②开关管T关断时,一次绕组开路,二次绕组的感应电动势反向,副边同名端为负,使二极管D导通,储存在变压器磁场中的能量通过D释放,一方面给C充电,另一方面向负载供电,此时变压器只有二次绕组工作,相当于一个电感,其电感量为L2。二次绕组上的电压为uN2=Uo,二次绕组电流iN从Ismax线性下降;在t=Ts时,达到最小值Ismin。
Ismin=Ismax-Uo/L2*(1-Dc)Ts
在此过程中,磁芯中的磁通线性减小,其值为
ΔΦ(-)=Uo/N2*(1-Dc)Ts
当稳态工作时,T导通时铁芯磁通Φ的增长量ΔΦ(+)必等于关断时的减小量ΔΦ(-),那么可得

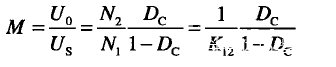
式中,K12=N1/N2是变压器一次绕组和二次绕组的匝比。可见,单端反激变换器的电压增益与Buck-Boost变换器相似,不同的是前者多了一个变压器的变比,这个能够很直观的理解。工作在磁化电流连续状态下的反激变换器的输出电压与以下因素有关:隔离变压器匝比、触发脉冲的导通占空比、输入电压。
在负载为零的极端情况下,由于T导通时储存在变压器电感中的磁能无处消耗,故输出电压会越来越高,最终造成电路元件损坏,所以反激变换器不能在空载下工作。
磁化电流不连续模式
开关管T关断时间较长,比绕组N2中的电流衰减到0所需的时间更长,则在下一个周期开关管T导通之前,副边电流is及变压器磁通Φ会衰减到0(这里我们忽略剩磁),下一个周期T导通时,原边电流ip从0开始线性上升。
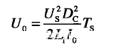
电流断续时输出电压为

可见,电流断续时,输出电压是输入电压、占空比和负载电流的非线性函数,只有调节占空比,才能保证输出电压不变。
磁化电流临界连续模式
即开关管T关断时间正好等于二次绕组N2中的电流衰减到0所需的时间。
磁通复位原则
变压器磁芯中的磁通在开关管T导通期间,随着原边绕组中的电流增大而增大,在T关断期间随着副边绕组中的电流减小而减小。 如果在每一个周期结束时,磁通大于这个周期开始时的大小,则它将随着周期的重复而逐渐增加,工作点逐渐上移,使得励磁电流增大,磁芯饱和,从而导致变压器工作不正常,造成开关管的损坏。 因此在每个周期结束时,变压器磁芯中的磁通必须回到原来的位置,这就是所说的磁通复位原则。
单端反激变换器不需要专门的去磁绕组,电路简单。 而我们之前所说的单端正激变换器则需要去磁绕组或者改变变换器结构来达到去磁的目的。
目前,我们常见的基本都是反激式的DC-DC变换器,关于它的设计,很多细节的东西需要考虑到,也许我们后期会慢慢地聊一聊。 今天主要还是简单的介绍。