时间:2023-04-07 11:31
人气:
作者:admin
肖特基二极管以多种方式用于实现多源电源系统。例如,高可用性电子系统,如网络和存储服务器,使用功率肖特基二极管OR电路来实现冗余电源系统。二极管ORing也用于具有备用电源的系统,例如交流墙上适配器和备用电池供电。功率二极管可与电容器结合使用,以在输入掉电期间保持负载电压。在这种情况下,功率二极管与输入电压串联放置,电容器位于二极管的负载侧。当电容器提供电源时,反向偏置二极管将负载与骤降输入隔离开来。
当电流低于几安培时,肖特基二极管足以满足这些应用,但对于更高的电流,二极管中由于正向压降而消耗的多余功率需要更好的解决方案。例如,流过压降为5.0V的二极管的5A会在二极管内浪费2.5W。这种热量必须通过PCB上的专用铜区域或用螺栓固定在二极管上的散热器来散发,这两者都会占用大量空间。二极管的正向压降也使其不适用于低压应用。这个问题需要具有零正向压降的理想二极管,以节省功耗和空间。
LTC®4352 理想二极管控制器与一个 N 沟道 MOSFET 配合使用可构成一个近乎理想的二极管,以采用 0V 至 18V 输入电源。图 1 说明了此解决方案的简单性。这种理想的二极管电路可以取代功率肖特基二极管,以创建高效的电源ORing或电源保持应用。图2显示了理想二极管电路相对于肖特基二极管的节能效果。3A时节省5.10W,节省随负载电流增加。凭借其快速的动态响应,该控制器在对电压下降更敏感的低压二极管OR应用中表现出色。

图1.控制一个 N 沟道 MOSFET 的 LTC4352 取代了一个功率二极管和相关散热器,以节省功耗、PCB 面积和压降。还显示了:采用 3mm × 3mm DFN-12 封装 LTC4352 和 SO-8 尺寸 MOSFET 的理想二极管电路的小 PCB 占位面积。

图2.随着负载电流的增加,使用理想二极管 (LTC4352 + Si7336ADP) 而不是功率肖特基二极管 (SBG1025L) 所节省的功耗也会增加。
是什么让它变得理想?
LTC4352 监视 MOSFET 源极 (“阳极”) 和漏极 (“阴极”) 端子两端的差分电压。MOSFET 具有一个固有的源极至漏极体二极管,用于在初始上电时传导负载电流。当输入电压高于输出电压时,MOSFET导通,导致正向压降I。负荷• RDS(ON).R型DS(ON)可以适当地选择,以在肖特基二极管的压降上轻松降低 10 倍。当输入降至输出以下时,MOSFET 关断,从而模拟反向偏置二极管的行为。
劣质理想二极管控制技术利用迟滞比较器监视 MOSFET 两端的电压。例如,只要输入至输出电压超过25mV,MOSFET就可以导通。但是,选择较低的关断阈值可能很棘手。将其设置为正向压降(例如 5mV),可使 MOSFET 在轻负载电流下反复关断和导通。将其设置为负值(例如 –5mV)允许直流反向电流。
LTC4352 实施了一种线性控制方法,以避免基于比较器的技术所带来的问题。它伺服 MOSFET 的栅极,以将 MOSFET 两端的正向压降保持在 25mV (图 3 的 AMP)。在轻负载电流下,MOSFET 的栅极略高于其阈值电压,以产生 25mV/I 的电阻负荷.随着负载电流的增加,栅极电压上升以降低MOSFET电阻。最终,在大负载电流下,MOSFET栅极完全导通,正向压降随负载电流线性上升,如I负荷• RDS(开).图4所示为所得的理想二极管I-V特性。

图3.LTC4352 的简化内部结构。

图4.LTC4352 理想二极管与肖特基二极管的正向 I-V 特性。
在反向电压条件下,栅极为低电平以完全关闭MOSFET,从而避免直流反向电流。线性方法还提供平滑的电流切换,用于二极管OR应用中缓慢交叉输入电源。事实上,根据 MOSFET 和走线阻抗,当输入电源的电压几乎相等时,它们会共享负载电流。
快速开关控制
与传统二极管相比,大多数理想的二极管电路具有较慢的瞬态响应。另一方面,LTC4352 可快速响应输入至输出电压的变化。一个强大的驱动器关断 MOSFET,以保护输入电源和电路板走线免受大反向电流的影响。类似地,驱动器快速接通开关,以限制二极管OR应用中电源切换期间的电压下降。
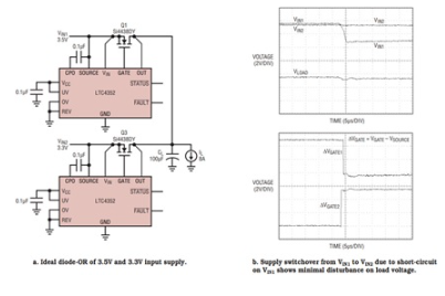
图5显示了3.3V理想二极管OR电路中发生的快速切换事件。最初,VIN1 提供整个负载电流,因为它高于 VIN2。在这种状态下,MOSFET Q1导通,Q3关断。短路导致 VIN1 在 VIN2 以下坍塌。LTC4352 的快速响应将关断 Q1 并接通 Q3,因此负载电流现在可以由 VIN2 提供。这种快速切换最大限度地减少了对负载电压的干扰,使下游电路能够继续平稳运行。

图5.理想的二极管或快速切换。
为了实现快速开关导通,LTC4352 采用了一个内部充电泵和一个外部储能电容器。该电容器连接在 CPO 和 SOURCE 引脚之间。CPO 是电荷泵的输出,可提供高达 100μA 的上拉电流。储能电容器累积并存储电荷,在快速导通事件期间,可以调用电荷产生 1.5A 的瞬态 GATE 上拉电流。储能电容电压在快速导通后下降,因为它与输入栅极电容(C国际空间站)的场效应管。对于可接受的压降,储能电容值应约为C 的 10 倍国际空间站的场效应管。
禁用快速打开很容易。省略储能电容会减慢栅极上升时间,由 CPO 上拉电流充电 C 决定国际空间站.当电流流过 MOSFET 体二极管时,栅极缓慢导通可能会导致负载在输入电压以下大约一伏特,直到通道增强。这在较高的输入电压应用中是可以接受的,例如12V。
像以前那样做没有二极管H的事情
LTC4352 通过集成输入欠压和过压保护、用于报告状态和故障信息的输出、开路 MOSFET 检测以及允许反向电流的能力,超越了二极管的功能。
图 6 示出了具有欠压和过压保护功能的 4352V 理想二极管电路中的 LTC5。UV 和 OV 引脚具有具有 0.5V 跳变门限和 5mV 迟滞的比较器(图 3)。从输入电源到这些引脚的电阻分压器设置了一个输入电压窗口,典型值为4.36V至5.78V,理想二极管功能在此工作。每当栅极为高电平且功率流过外部 MOSFET 时,STATUS 引脚拉低以点亮绿色 LED。对于 V在在输入电压窗口之外,栅极保持关断,FAULT 引脚拉低以发出故障条件信号。红色 LED D2 提供视觉指示。需要背靠背MOSFET来阻止在栅极低电平条件下通过其固有的源极-漏极体二极管的传导。单个MOSFET Q1可用于仅V的情况在超出范围的指示就足够了。但应注意的是,当栅极较低时,流过Q1体二极管的负载电流不会导致MOSFET过度散热。

图6.具有输入欠压和过压保护功能的5V理想二极管电路。理想二极管功能工作在4.36V < V在<5.78V,否则GATE为低电平。
MOSFET 开关可能失效开路或其 RDS(ON)可能会在多年运行中降低,从而增加开关两端的压降。当过大的电流流过MOSFET时,也会导致较大的压降,这可能是由于输出短路。LTC4352 可检测此类故障,并通过其 FAULT 引脚对其进行标记。当 MOSFET 检测电路检测到 MOSFET 两端的正向压降超过 250mV 时,即使栅极导通,开路 MOSFET 检测电路也会跳闸。请注意,这种情况仅导致FAULT引脚拉低,但不采取任何操作来关闭开关。表 1 将状态和故障 LED 状态转换为 LTC4352 的工作状态。
|
指示灯状态 |
理想二极管工作状态 |
||
| 地位绿色指示灯 | 故障红色指示灯 | 场效应管 | 紫外线/紫外线 |
![]() |
![]() |
关闭 | 不 |
![]() |
![]() |
上 | 不 |
![]() |
![]() |
关闭 | 是的 |
![]() |
![]() |
打开 | 不 |
REV 引脚上的输入用于配置 LTC4352 针对反向电流的行为。它为低电平,以实现正常二极管操作,从而阻止反向电流流过外部 MOSFET。驱动 REV 高于 1V 会使栅极完全开启至其极限,即使在反向电流条件下也是如此。
仅欠压、过压和 V抄送欠压锁定可以覆盖此限制以关闭栅极。此功能在允许发生反向电流的电源路径控制应用中或用于测试目的都非常方便。
热插拔板上的浪涌控制
当二极管电源输入流过热插拔板上的连接器时,LTC4352 可执行双重任务来控制浪涌电流。同样,此应用需要背靠背MOSFET,以阻止通过MOSFET体二极管的传导。浪涌电流通过减慢负载电压的上升速率来限制。这是通过限制 MOSFET 栅极上的 dV/dt 并在源极跟随器配置中操作来实现的。
图 7 示出了将 LTC4352 用于浪涌控制的应用。由于目标是限制栅极上的dV/dt,因此通过省略CPO储能电容来禁用理想二极管的快速导通特性。栅极电流现在限制在 100μA 的 CPO 上拉电流。为了进一步降低dV/dt,在栅极上增加了一个RC网络。电阻在由于反向电流或过压故障导致的快速关断期间对电容器去耦。电阻器 RG防止Q2中的高频振荡。

图7.控制浪涌电流。
当电路板热插拔时,长电源引脚首先接触。LTC4352 上电,但由于 UV 为低,因此保持栅极关断。在几毫秒的电路板插入延迟后,短UV引脚接通。如果 VIN 高于 10.8V,则 MOSFET 栅极开始斜坡上升。当栅极达到阈值电压时,MOSFET 导通,电流开始对输出充电。Q2工作在源极跟随器模式,功耗最大。其VDS从VIN开始,降低到25mV/2。应注意浪涌期间的功率耗散是否在MOSFET的安全工作区(SOA)内。
脚踏实地的运营
VIN工作范围一直延伸到0V。但是,当采用低于2.9V的输入工作时,VCC引脚上需要一个外部电源。该电源应在2.9V至6V范围内。对于此范围的2.9V至4.7V子集,VIN应始终低于VCC。VCC 和 GND 引脚之间还需要一个 0.1μF 旁路电容器。图8所示为理想二极管电路,其中5V电源为VCC引脚上电。在这种情况下,VIN可以一直工作到0V和高达18V。

图8.0V至18V理想二极管电路。通过使用 4.7V 至 6V 范围 (此处为 5V) 的外部电源为 VCC 引脚供电,VIN 可在低至 0V 和高达 18V 的电压下工作。
对于 2.9V 至 18V 的输入电源,VCC 引脚上不需要外部电源。取而代之的是,从第27页继续使用内部低压差稳压器 (Figure 3 中的 LDO) LTC4352 在 VCC 引脚上产生一个 4.1V 电源。对于低于 4.1V 的 VIN,VCC 在低于 VIN 的电压下跟随大约 50mV。仍然需要0.1μF VCC电容来实现旁路和LDO稳定性。
结论
电子系统设计中一个始终存在的主题是以更小的外形尺寸和更紧凑的功率预算打包更多的计算。另一个趋势是降低分布式电源的电压,这会增加电流以维持功率水平。鉴于这些限制,电路板设计人员必须仔细检查大电流电源路径中的每个二极管的功耗和面积消耗。
LTC4352 MOSFET 控制器提供了与二极管相同的功能,但效率更高,温度更低,尤其是在电流增加时。它还集成了有用的功能,如快速开关控制、0V 操作、欠压和过压保护、开路 MOSFET 检测、允许反向电流的能力、热插拔功能以及故障和状态输出。所有这些功能都封装在节省空间的 12 引脚 DFN(3mm × 3mm)和 MSOP 封装中,从而能够以比传统二极管更小的尺寸生产理想的二极管解决方案。
审核编辑:郭婷
上一篇:创建快速负载瞬态