时间:2023-03-23 11:01
人气:
作者:admin
在功率转换器拓扑中,单晶体管正激转换器是功率水平低于100瓦的最常见拓扑之一。本文介绍了该电路的改进,称为“单晶体管、谐振复位、正激转换器”,它消除了复位绕组和二极管(DTR).将讨论此设计的其他几个优点。
介绍
单晶体管谐振复位正激式转换器通常用于功率水平低于 100 W 的 DC-DC 转换器模块。这些器件对于输出电压可调范围广的DC-DC转换器也非常有用。然而,本文介绍了一种改进电路,称为“单晶体管谐振复位正激式转换器”。这种设计省去了复位绕组和一个二极管(DTR),并提供了几个明显的优势。
该谐振复位转换器的占空比可超过 50%,因此适用于在宽输入电压下工作并提供广泛变化输出的低成本 DC-DC 转换器。没有复位绕组通过简化变压器来降低成本,特别是对于广泛用于高密度DC-DC转换器模块的平面变压器。最后,谐振复位电路的正弦复位电压可降低EMI。
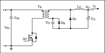
传统的单开关正激式转换器设计
为了正确理解谐振复位拓扑,我们必须首先了解传统的单开关正激转换器(图1a)。当开关Q1导通时,变压器电流从零上升,二极管D上升TR,是反向偏置的。变压器磁化电流累积至值IM= V在T上/LM,其中 T上是每个开关周期的导通时间,LM是磁化电流。

图 1a.传统的单晶体管正激式转换器。
在开关导通期间,负载电流,IO,反映在主 IP= IONS/NP,其中 NS是次级匝数和 NP是主匝数。输出电压为 VO= V在DNS/NP,其中 D = T上/TS和 1/TS是开关频率。变压器初级端在关断前的磁化电流为V在T上/LM.当Q1关断时,变压器电压趋于反转。D上的电压TR阴极不断增加,直到DTR打开。
对于典型应用,NP/NR匝数比为 1,其中 NR是初级复位绕组中的匝数。变压器磁化电流现在从IM归零。当达到零时,变压器完全复位,变压器两端的电压保持为零,直到下一个开关周期开始。最大占空比,D.MAX,在这些应用中限制为 50%。
谐振复位正激式转换器设计
单开关谐振复位正激式转换器的特点是没有复位绕组(图 1b)。在关断期间,变压器通过谐振电路复位(无损耗),谐振电路包括:磁化电感;以及开关、初级绕组和所有反射次级电容(包括整流二极管电容)的组合电容。

图 1b.单开关、谐振复位正激式转换器。
操作说明
对于此电路分析,进行了以下假设:
电路已达到稳态运行。
LO和 CO(相当大)可以被认为是无限的。
漏感被忽略不计。
二极管和开关电阻引起的压降被忽略不计。
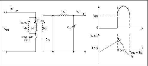
电路的稳态操作包括每个开关周期中的三个间隔:
间隔 1
最初,t = 0,Q1为ON(图2a)。变压器在开关导通期间通过斜坡电流磁化。次级电流流过次级二极管 DR和电容两端的电压,CD,大约为零。CD包括内部二极管电容和在D两端添加的外部电容R.初级磁化电流的值为 I1在这个间隔开始时,我2在间隔结束时。

初级电流是反射电流的总和,IO(NS/NP),和初级磁化电流。

图 2a.从图1b中,Q1上的电压和间隔1期间的初级励磁电流波形(未按比例)的等效电路。
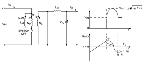
间隔 2
当开关关闭时,开关漏源电压开始上升(图 2b)。当该电压超过V时在,次级二极管,DR,关闭和续流二极管,DF,打开。正弦退磁电流开始流过由变压器励磁电感L并联组合形成的谐振电路M和电容 CR,反映在变压器初级端。该电容,CR,是初级端所有电容的总和,包括反射二极管电容CD:

其中 CS是初级开关电容和CT是变压器的初级电容。CD是二极管C两端的外部电容D(二极管电容 << CD).间隔 2 在 T 末尾结束上* uR,其中 TR是共振间隔的一半。


外部电容,CR,在此间隔内从零充电到峰值

,然后放电回零。磁化电流,I1,因此在区间结束时应等于 -I2.在此间隔结束时,主开关上的电压为 V在,但开关上的电压在间隔的一半达到

峰值。

图 2b.从图1b中,Q1上的电压和间隔2期间的初级励磁电流波形的等效电路(未按比例)。
间隔 3
在此间隔内,二极管 DR和 DF都打开;主开关关闭(图2c)。变压器两端的电压为零,间隔结束时的励磁电流等于-I2.这样就结束了开关周期。由于电路处于稳态,电流I1因此等于 -I2.替换 I1在公式1中,我们看到每个开关周期开始时的初级磁化电流为:

在间隔3期间,主开关电压保持在VIN。请注意,在TS的末尾,I2≠I1是可能的,如果

在这种情况下,在下一个开关周期开始之前,谐振的整个半周期尚未完成。因此,主开关两端的电压在每个开关周期开始时超过VIN。这种情况会增加开关损耗。

图 2c.从图1b中,Q1上的电压和间隔3期间的初级磁化电流波形(未按比例)的等效电路。
瞬态操作
初级开关和次级输出二极管上的瞬态应力可能会有很大差异,具体取决于应用中使用的控制器类型。如果设计不是最佳的,瞬变会导致初级开关或次级二极管发生故障。
考虑使用电流模式PWM控制器工作。最初,电源在空载和高线路电压下工作。施加负载瞬态(最小负载到满负载),这导致立即占空比阶跃到最大占空比。反过来,该事件会导致变压器的磁化电流大幅增加,并且可能会使变压器饱和,除非其设计考虑到这种瞬变。谐振复位电压远高于稳态操作期间的电压,并可能导致正向二极管或初级开关发生故障。
为了解决这个问题,我们引入了伏特微秒钳位。考虑上述控制器的最大占空比箝位与输入电压成反比。这种布置限制了瞬态期间沿变压器BH回路的最大磁通偏移,从而允许使用较小的变压器。正向二极管和初级开关上的瞬态电压应力明显较小,但仍高于稳态工作期间。
现在考虑这种转换器类型在非常轻的负载下的操作,并使用二极管进行整流。在这种操作模式下,磁化电流非常接近于零,并且占空比较低。如果我们现在应用负载瞬态(从空载到满载),占空比立即增加到自适应占空比箝位所允许的最大值。在施加瞬态之前,磁化电流为零。高线电压下的瞬态峰值占空比为

其中,VINMIN是低线输入电压,DMAX(TR)是由自适应占空比箝位器设置的低线电压下的最大占空比,VINMIN是高线电压下输入电压。当瞬态发生时,磁化电流从0增加到瞬态后的第一个开关导通周期

这里LM是初级磁化电感,ƒSW是开关频率。开关断开后,磁化电流以正弦方式反向,由磁化电感LM和电容CR设定。开关上的峰值电压为:

对于满载和高线路电压下的稳态操作,开关上的峰值稳态电压为:

其中DMAX(S)是满负载和低线下的稳态占空比。在实际应用中,我们试图将DMAX(TR)设置得略高于DMAX(S)。我们还看到二极管DF上的峰值瞬态反向电压是使用这种类型的PWM控制器的峰值稳态反向电压的两倍多。对于没有伏-微秒箝位的PWM控制器,瞬态电压可能会更高。
如果电路包括同步整流器,电感电流不会变得不连续,轻负载和满负载时的磁化电流几乎相同。对于具有伏微秒箝位的PWM电流模式控制器,初级开关和次级二极管上的瞬态电压应力DF,更接近峰值稳态电压应力。
电压模式控制器的行为类似于电流模式PWM控制器的行为。同样,使用自适应伏微秒钳位可以减轻应力。这些转换器类型通常包括占空比软启动,可提高占空比,从而控制磁化能量的任何积聚,同时减轻电压应力。
设计示例
图3所示的工作电源接受36V至56V范围内的直流输入电压,并产生4V至18V隔离的可变输出电压,由可调外部基准控制。最大输出电流为0.4A,开关频率ƒ西 南部,为 500kHz。

图3.谐振复位正激式转换器,输入范围为地至 -48V外(36V 至 56V),输出范围 4V 至 18V。
谐振复位正激式转换器最适合这种设计,因为它可以让我们最大化占空比。如果要在低至4V的高电平范围内正确控制输出电压,则这种能力是必要的。否则,PWM控制器的最小导通时间是一个限制,可能会带来问题。应包括同步整流器,以最大限度地提高效率,并使PWM控制器能够在轻负载时将输出电压控制至4V。所示的电流模式PWM控制器还包括一个自适应电压微秒箝位。
自适应占空比箝位
由于电源必须打开并在 36V 时提供全功率,因此我们将其导通点设置为 34.2V。该导通电压包括 5% 的裕量,用于补偿元件容差。然后,我们将对应于导通点(由自适应占空比设置)的最大占空比设置为75%。这种方法留出了25%的开关时间,用于在转换器的最低工作电压下复位变压器。
初级 MOSFET 额定电压
在最低工作电压下,变压器的最大可用复位时间为:

其中 DMAX= 0.75 和 ƒSW = 5 x 105.这些值产生0.5μs的复位时间。为了最小化开关损耗,磁化电流应完成一个正弦“谐振铃”的半周期,如公式4所示。因此,

初级开关上的峰值稳态电压应力(通过代入公式7中的值获得)为208.6V。因此,对于此设计,我们选择额定电压为250V的开关。
变压器设计
变压器的初级与次级匝数比为 n:

我们选择EFD15磁芯为3F3材料的变压器,通过代入公式1中的值得到n<35.9。实际初级匝数 (30) 和次级匝数 (24) 的匝数比为 1.25。该变压器使用未连接磁芯缠绕,其磁化电感为702μH±25%。磁化电感的容差可能会在变压器的自谐振频率中产生+11%/-13.4%的容差,而不考虑实际电路中初级端出现的总电容容差。测得的采样变压器自谐振频率低于1MHz。
我们必须保证实际电路的消磁自谐振频率高于ƒSW/(1 - D.MAX).因此,我们对磁芯留有间隙,既可以降低变压器测量的自谐振频率,又可以减少磁化电感的变化。使用带 A 的间隙内核110% 的容差产生 144μH 的电感。
新变压器样品测得的自谐振频率为4MHz;根据自谐振频率表达式计算的变压器电容为11pF。根据可用的复位时间,最大允许初级电容为176pF。后一个值允许开关电容和反射二极管电容之和最大为165pF,CR.由于MOSFET电容不容易确定,因此我们必须构建电路并调整同步MOSFET两端的附加电容值,QR,以获得适当的复位时间。在实际电源中,MOSFET Q 两端增加的电容R为 100pF。
输出电感器和电容器
选择输出电感和电容是为了优化效率并确保符合输出纹波规格。因此,电感值为47μH,而CO由并联三个陶瓷电容器组成,每个电容器的额定电压为 4.7μF 和 25V。
初级场效应管
对于初级MOSFET,Q1(额定电压为250V),我们选择仙童的FQD4N25,因为它固有电容低,导通电阻低。该 MOSFET 还最大限度地降低了栅极驱动损耗、传导损耗和开关损耗。
同步整流功率场效应晶体管
同步整流器上的峰值应力,QR是:

其中na是电力变压器的实际一次与二次匝数比。在这种情况下,na为1.25,VQR的计算值为122V。因此,我们选择150V MOSFET作为QR。续流MOSFET上的峰值电压应力QF为:

其中 n一个为 1.25 和 VINMAX为 56V。计算值为44.8V,因此对于QF我们选择额定电压为 60V 的 MOSFET。 (控制电路和同步 MOSFET 驱动器如原理图所示,但不再进一步讨论。
实验结果
图4、图5和图6显示了图3的初级MOSFET在不同输入电压和各种输出电压下以及输出负载为400mA时的电压波形。漏极电压波形清楚地表明,谐振复位电压不随线路电压变化,而是与输出电压成正比。初级MOSFET上的峰值电压等于输入电压加上谐振复位电压。

图4.从图 3 中,VDS在 Q14 上,输入为 48V直流,输出电压为 4V (a) 和 8V (b)。

图5.从图 3 中,VDS在 Q14 上,输入为 48V直流,输出电压为 12V (a) 和 18V (b)。

图6.从图3可以看出,输出电压为18V,V。DS在 Q14 上,输入为 36V直流(a) 和 56V直流(二)。
结论
谐振复位正激式转换器非常适合采用宽范围直流电压输入工作的电源。它们也适用于需要宽范围可调输出电压的应用。在设计谐振复位正激式转换器时,应将器件上的瞬态电压应力降至最低;使用同步整流可降低功率半导体上的瞬态电压应力。为了获得最佳性能,您还应该选择合适的控制器。
审核编辑:郭婷