时间:2023-03-23 11:09
人气:
作者:admin
许多电子系统大部分时间都处于空闲状态,等待某些事情发生。工业远程监控系统和保活电路只是两个例子。其中许多系统依赖于电池电源,因此高效电源对于延长电池寿命至关重要。静态状态下的效率特别重要,因为主动操作可能消耗毫安,而静态操作仅消耗微安。小尺寸和反向输出和输入保护功能也是电源的理想特性。这是电源要求的苛刻组合,但有一种简单的方法可以通过一个设备来满足这些要求。
超低静态电流 PNP LDO
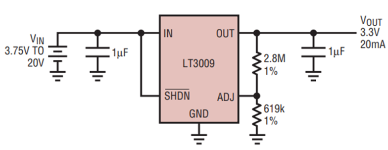
图 1 示出了 LT3009 的典型应用,LT3 是一款 2μA 静态电流低压差线性稳压器,采用纤巧型 2mm × 8mm DFN 和 70 引脚 SC3 封装。其超低的5μA静态电流得到了很好的控制——它不会像许多稳压器那样在压差下过度上升。静态电流在20mA I时小于输出电流的<>%外,即使在辍学的情况下(图2)。

图1.新型 3μA 静态电流低压差稳压器。

图2.接地引脚电流与 I负荷.
LT3009 能够采用 20.1V 至 6V 的输入电源至 20.0V 至 6.19V 的输出电压提供高达 5mA 的电流。LT3009 上的压差电压仅为 280mV,同时可提供高达 20mA 的输出电流。通过将SHDN引脚拉低,可以将其置于低功耗关断状态。在关断状态下,本已很低的静态电流降低到内部晶体管的漏电流。该泄漏在室温下通常为几nA,在整个工作温度范围内保持在1μA以下。低静态电流和纤巧的封装尺寸不会导致 LT3009 的性能不佳。LT3009 具有业界领先的负载、电压和温度调节功能(参见图 3、4 和图 5)

图4.线路调整率与温度的关系

图5.输出电压与温度的关系
除了输出电压设置电阻外,唯一需要的外部元件是输入和输出旁路电容器。LT3009 中的内部频率补偿可稳定针对各种电容器的输出。为了保持稳定性,至少需要1μF的输出电容,几乎可以使用任何类型的输出电容。即使是具有低ESR的小型陶瓷电容器也可以使用,而无需其他稳压器通常需要的额外串联电阻。小封装尺寸和小型陶瓷电容器的使用能力相结合,使得 LT3009 几乎适合任何地方。
LT3009 具有许多保护功能,以保护自身和敏感的负载电路。如果输入电压反转(例如,由于电池向后插入或线路故障),来自IN引脚的电流受到100k电阻的限制,并且在负载上看不到负电压。使用 LT3009 时,无需外部保护二极管。利用从输出到输入的反向电压,LT3009 就像它有一个 500k 限幅电阻器与两个从输出到输入的二极管串联以限制反向电流。对于稳压器负载返回到负电源的双电源应用,可将 OUT 和 ADJ 引脚拉至地电位以下(通过高达 20V 的输入至输出差分),同时仍允许器件启动和工作。LT3009 还包括线性稳压器的标准保护功能,例如电流和热限制。
远程监控的理想解决方案
LT3009 为远程监视应用提供了一种最佳解决方案。其中许多应用的占空比非常短,它们大部分时间处于关断状态,短暂醒来进行测量和通信,然后立即返回关断状态。除了敏感模拟电路所需的典型电源调节要求(严格的电源调节、安静电源、负载保护等)外,主要电源要求是低静态功耗。凭借其 3μA 静态电流、业界领先的电源调节能力和多种保护功能,LT3009 可满足要求。
公用事业仪表中经常使用的典型远程监控应用是“最后喘息”电路,如图6所示。在本应用中,由线路电源供电的12V至15V电源通过二极管和限流电阻为大电容(SuperCap)充电。超级电容器上存储的电压为 LT3009 提供输入电压。LT3009 为模拟故障检测电路提供了一个安静、稳压良好的 5V 电源,以及一个用于向远程监控中心发送求救信号的数字通信模块。故障检测电路通常每 15 分钟检测周期仅激活几百毫秒。在发生线路故障时,LT3009 的超低静态电流使 SuperCap 能够在多个检测周期内为故障检测和通信电路提供足够的功率。

图6.典型的最后喘息电路。
LT3 的 3009μA 静态电流减小了 SuperCap 所需的尺寸和成本,同时延长了线路故障后检测和通信电路的使用寿命。此外,凭借其在整个负载线路和温度范围内 ±2% 的输出调节,LT3009 可作为故障检测电路的高准确度电压基准执行双重工作。
保活电源的绝佳选择
开关电源从高压轨提供可靠的本地低压/高电流电源,但开关电源对于通常仅运行几毫安电流的低功耗保活电路来说过于复杂。在工业、监控、安全系统、烟雾探测器和其他始终在线的电路中有许多这样的低电流应用。对于其中的许多应用,LT3009 提供了一种相对简单且成本低廉的解决方案。
一个典型的保持活动状态应用程序如图 7 所示。一个 12V 电源轨为保活电路供电,用于监控或其他目的。低静态电流对于减少电池消耗至关重要。当输入发生故障时,备用电池可使输出保持活动状态。如果 12V 电源轨发生故障,备用电池将接管。LT3009 的内部保护功能可限制从输出流回输入端的电流,从而免除了增设保护二极管的需要。

图7.典型的保活电源。
结论
LT3009 提供了超低静态电流、一种停机模式以及宽输入和输出电压范围,采用纤巧的 2mm × 2mm DFN 和 SC70 封装,而不会牺牲性能或可靠性。包括小型陶瓷在内的各种输出电容器可提供稳定的输出。LT3009 中的内部保护电路免除了增设外部保护二极管的需要,从而进一步节省了空间并降低了成本。竞争器件无法与 LT3009 在超低静态电流稳压器领域提供的性能和优势相媲美。
审核编辑:郭婷