时间:2023-03-23 11:20
人气:
作者:admin
LT®3496 是一款三路输出 DC/DC 转换器,专为高性能、真彩色 PWM 而设计™多通道 LED 照明应用中的调光。通过集成三个独立的驱动器通道,LT3496 提供了一种节省空间且经济高效的解决方案来驱动多个 LED 灯串。图 1 示出了占用 50mm 的 3496W LT3 350 通道 LED 驱动器2并且具有低于 1.5 毫米的轮廓。

图1.一个完整的 LT3496 LED 驱动器适合 350mm2.
LT3496 具有用于 PMOS 高端 LED 断接的高端电流检测和内置栅极驱动器 (专利申请中)。这两个特性使 LT3496 具有通用性,因而允许其在降压、升压或降压-升压型配置中将 LED 驱动至高 PWM 调光比。内部电源开关的 45V 能力、3V–40V 输入电压范围和可调频率可在宽电源和输出电压范围内可靠运行。LT3496 的应用包括 RGB 照明、广告牌和大型显示器、汽车和航空电子照明以及恒定电流源。
带高压侧电流检测的高端 LED 断开,可实现系统多功能性、简单性和可靠性
LT3496 的高端 LED 断接和高端电流检测在降压、升压或降压-升压型配置中实现了 3000:1 的调光控制。任何传统的 LED 驱动器都无法与 LT3496 的简单性和高 PWM 调光性能相媲美,尤其是在降压-升压模式下。使用传统LED驱动器实现高边断开开关是可能的,但使用许多附加组件,响应缓慢并消耗额外的功率。
由于 LED 断接和电流检测位于每个 LED 灯串的高端,因此可以在升压或降压-升压模式下将 LED 灯串的低端连接在一起,以减少返回 LED 驱动器的导线数量。在升压配置中,每个低边连接都可以在任何地方接地,从而允许为每个 LED 灯串进行简单的 1 线 LED 连接。传统的LED驱动器采用低侧LED断开方法,其中每个LED串的高端和低侧都必须连接到LED驱动器。图2a显示了简化的传统升压LED驱动器,其中M1–M3是LED断开NMOS开关。图2b示出了一款简化的LT3496三通道升压LED驱动器,其中M1–M3是LED断接PMOS开关。LT3496 解决方案省去了三根电线,从而提高了系统的简便性和可靠性。随着通道在高性能显示器中的倍增,这些优势将变得越来越重要。

A.传统的升压 LED 驱动器。

b. 基于 LT3496 的升压 LED 驱动器。
图2.基于 LT3496 的升压型 LED 驱动器所需的导线数量是传统升压型 LED 驱动器的一半。
应用
降压模式 LED 驱动器
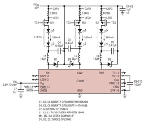
LT3496 可配置为一款降压模式 LED 驱动器,适用于 LED 电压低于电源电压的应用。图 3 示出了一款用于大型 TFT 液晶电视的 LT3496 RGB 驱动器。

图3.LT3496 RGB 驱动器,适用于大型 TFT 液晶电视。
三个 LT3496 通道独立工作,但工作方式相同。为简单起见,此处介绍通道1的PWM操作。如果PWM1引脚被拉低,则M1关断,断开通道1的LED串,并停止从输出电容C4汲取电流。VC1引脚也与补偿电容C8断开。C4 存储 LED 电压的状态,C8 存储 LED 电流的状态,直到 PWM1 再次上拉。这导致脉冲宽度和输出光之间存在高度线性关系,调光范围大而精确,效率高。在120Hz PWM频率下,电路的PWM控制允许5000:1调光,如图4所示。图5显示了效率与PWM占空比的函数关系。

图4.图5000所示应用电路的1:3调光波形。

图5.应用电路的效率如图3所示。
降压-升压模式 LED 驱动器
在某些LED应用中,所需的电源电压范围和LED电压范围重叠,因此需要降压-升压模式配置。图 6 示出了一款用于汽车照明的 LT3496 降压-升压模式 LED 驱动器。LED电压为9V–12V,汽车电池电压为8V–30V.R1–R6将过压保护电压设置为40V,以保证SW1–SW3、CAP1–CAP3、LED1–LED3和TG1–TG3引脚的电压低于最大额定电压。R7–R8 将开关频率设置为 1.3MHz,以限制 LT3496 的功耗,并确保不超过 125°C 的结温。图7显示了3000Hz PWM频率下的1:120 PWM调光波形。

图6.用于汽车照明的降压-升压模式 LED 驱动器。

图7.图3000所示应用电路的1:6调光波形。
升压 LED 驱动器
LT3496 可配置为一款升压型 LED 驱动器,以用于 LED 电压高于电源电压的应用。图 8 示出了一款用于汽车照明的 LT3496 升压型 LED 驱动器。D4、Q1–Q3 和 R1–R4 产生电池浪涌电压保护电路,以保护 LED 灯串免受电池浪涌电压的损坏。选择D4的齐纳击穿电压低于LED电压。当 V在浪涌电压增加到接近LED电压,D4击穿并打开Q1–Q3。Q1–Q3 将 PWM1–3 拉低电平,M1–M3 立即关闭,以断开 LED 串与 LED 驱动器的连接。

图8.升压模式LED驱动器,具有用于汽车照明的电池浪涌电压保护。
图9显示了3000Hz PWM频率下的1:120 PWM调光波形。

图9.图3000所示应用电路的1:8调光波形。
结论
LT3496 为多通道 LED 照明提供了一种紧凑、低成本、高可靠性和高效率的解决方案。凭借在降压、升压和降压-升压模式工作的能力,LT3496 LED 驱动器可提供 3000:1 真彩色 PWM™在很宽的电源和输出电压范围内具有调光比。
审核编辑:郭婷