时间:2023-03-24 10:48
人气:
作者:admin
产生始终高于或低于输入电压范围的输出电压可以分别由传统的升压或降压稳压器轻松处理。然而,当输出电压在输入电压范围内时,如许多需要3V或3.3V输出的锂离子电池供电应用,传统设计则不尽如人意,存在效率低、磁性元件复杂、极性反转和电路复杂性等问题。LTC®3785 降压-升压型控制器有助于成为一种简单、高效、器件数量少的单转换器解决方案,该解决方案易于实施,并且不具备任何与传统电路相关的缺点。
3.3V、3A 转换器采用 2.7V–10V 电源供电
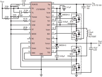
图 1 显示了一种同步、4 开关、降压-升压设计,可从 3.3V–3V 输入提供 2.7V、10A 输出,非常适合锂离子电池和/或松散调节的墙上适配器输入。该控制器提供短路保护,为严重过载故障提供打嗝模式或闭锁操作选择。其他特性包括软启动、过压保护 (OVP) 和 2.7V–10V 输出范围。

图1.采用 LTC3785 从一个 3.3V–3V 电源提供 2.7V/10A 输出的降压-升压型转换器原理图。
该电路在整个输入电压范围内实现无缝操作,通过过渡区域用作同步降压转换器、同步升压转换器或两者的组合。当输入电压远高于输出时,转换器工作在降压模式。开关 Q1A 和 Q1B 换向输入电压,Q2A 保持导通,将 L1 连接到输出。当输入电压降低并接近输出时,转换器在电桥的输入(降压)侧接近最大占空比,电桥的输出(升压)侧开始开关,从而进入降压-升压或4开关工作区域。随着输入进一步减小,转换器以最小升压占空比进入升压区域。开关Q1A保持导通,将电感连接到输入,而开关Q2A和Q2B在输出电容和地之间换向电感的输出侧。
在升压模式下,该转换器能够限制输入电流,并关断和断开源极与输出的连接——这是传统升压转换器无法提供的两种非常理想的特性。图2、图3和图4显示了输入侧和输出侧开关波形以及降压(10V)的电感电流在)、升压 (2.7V在)和降压-升压 (3.8V)在) 操作模式。

图2.输入侧和输出侧开关波形以及用于降压模式的电感电流 (10V在).

图3.输入侧和输出侧开关波形以及用于升压模式(2.7V)的电感电流在).

图4.输入侧和输出侧开关波形以及用于降压-升压模式(3.8V)的电感电流在).
95% 效率
图5显示了正常(非强制连续导通)和突发模式操作下的效率。在典型负载下可实现 95% 的极高效率。这种性能水平部分得益于复杂的控制器特性,包括用于 N 沟道 MOSFET 和 R 的高端驱动器DS(ON)电流检测,用于电流限制。通过使用更大的电感器和更好的MOSFET,可以实现更高的效率。10V in的效率将受益于具有低损耗铁氧体磁芯的电感器,特别是在轻负载下。该电路可轻松安装在 0.6 英寸2电路板两侧都有组件。曲线显示了突发模式操作如何提高极轻负载下的效率,从而显著延长存储器等即使在系统关闭时也必须保持内务管理功能的应用中的电池寿命。

图5.正常模式和突发模式下的效率。
结论
LTC®3785 降压-升压型控制器通过一种平滑过渡、4 开关、单 IC 解决方案克服了传统设计的缺陷。它简单优雅,效率高,只需要少量廉价的外部元件。LTC3785 采用小型 4mm ×4mm QFN 封装以及 28 引脚 SSOP。
审核编辑:郭婷