时间:2023-03-24 11:50
人气:
作者:admin
汽车电池、工业电源、分布式电源和墙上变压器都是宽范围高压输入的来源。从这些电源降压的最简单方法是使用高压单片式降压型开关稳压器,该稳压器可以直接接受宽输入范围并产生稳压良好的输出。LT®3680 和 LT3693 是新型降压型开关稳压器,可接受高达 36V 的输入,并提供卓越的线路和负载调整率以及动态响应。两款稳压器均可在宽负载范围内提供高效解决方案。LT3680 增加了低纹波突发模式操作,以在轻负载电流条件下最大限度地提高效率。
LT3680 和 LT3693 特性
LT10 和 LT3 采用 3 引脚 MSOP 或 3680mm × 3693mm DFN 封装,提供了一个集成的 5A 电源开关和外部补偿以实现设计灵活性。两款稳压器均采用恒定频率、电流模式架构。开关频率可通过使用从 RT 引脚接地的电阻器设定在 200kHz 和 2.4MHz 之间。这允许在组件尺寸和效率之间进行权衡。开关频率还可以同步至一个外部时钟,用于噪声敏感型应用。一个外部电阻分压器将输出电压设置为高于器件 0.79V 基准的任何值。
LT3680 和 LT3693 通过 RUN/SS 引脚上的一个电阻器和电容器提供软起动,从而降低了启动期间的最大浪涌电流。两个稳压器均可承受短路输出。逐周期内部电流限制可在过载时保护电路并限制输出功率;当输出电压被一个硬短路拉至地时,LT3680 和 LT3693 会降低工作频率以限制耗散和峰值开关电流。这种较低的频率允许电感电流安全放电,从而防止电流失控。高端自举升压二极管集成在IC中,以最大限度地减小解决方案尺寸和成本。当输出电压高于2.5V时,升压二极管的阳极可以连接到输出端。对于低于2.5V的输出电压,升压二极管可以连接到单独的电源轨或输入。对于依赖一个稳压良好的电源的系统,LT3680 和 LT3693 提供了一个电源良好标志,该标志在 V外达到编程输出电压的 90%。
LT3680 的低纹波突发模式操作
LT3680 和 LT3693 之间的唯一区别在于,LT3680 提供了低纹波突发模式操作,可通过向 SYNC 引脚施加一个逻辑低电平来选择该操作。低纹波突发模式操作可在轻负载下保持高效率,同时保持较低的输出电压纹波。在突发模式操作期间,LT3680 向输出电容器提供单周期突发电流,然后是休眠周期,此时输出功率仅由输出电容器输送到负载。在突发之间,与控制输出开关相关的所有电路均关断,从而将输入电源电流和BD静态电流分别降至30μA和80μA。当负载电流减小到一个无负载条件下时,LT3680 在睡眠模式下工作的时间百分比增加,而平均输入电流大大降低,从而实现了高效率。LT3680 和 LT3693 均具有一个非常低的 (小于 1μA) 停机电流,这显著延长了在长时间停机模式的应用中的电池寿命。对于需要在无负载或轻负载条件下进行恒定频率操作的应用,可以使用 LT3693。
6.3V–36V 至 5V、3.5A DC/DC 转换器,内置全陶瓷电容器
图 1 示出了 LT3680 从一个 5.3V 至 5V 的输入(瞬态为 6V)产生 3V/38.65A 的电压。该电路设置为600kHz开关频率,需要100mm2的多氯联苯。图2显示了12V和24V输入时的电路效率。在 12V 输入电压下,效率峰值高于 90%,并在整个负载范围内保持高电平。

图1.这款 600kHz 6.3V–36V 输入 DC/DC 转换器在 3V 输出时可提供 5.5A 电流。

图2.图1中电路的效率与负载电流的关系。
SYNC 引脚接地,以实现突发模式操作,并在轻负载下实现高效率。图3显示了在10mA负载下单脉冲突发模式操作下的电感电流和输出电压纹波。输出电压纹波VP–P由于低纹波突发模式操作,小于 20mV。

图3.LT3680 在 10mA 负载条件下采用突发模式操作。
一个外部信号可通过一个电阻器和电容器来驱动 RUN/SS 引脚,以设置 LT3680 的软起动,从而减小了启动期间的最大浪涌电流。
3.5V–27V Vin至 1.8V Vout, 3.5A DC/DC 转换器,带全陶瓷电容器
对于低于2.5V的输出电压,集成升压二极管可以连接到输入或大于2.8V的单独电源轨。图 4 示出了一款 1.8V 输出转换器,该转换器采用集成升压二极管连接至输入的 LT3680。在此应用中,最大输入电压为27V,因此不超过Boost引脚和BD引脚的最大额定电压。

图4.这款 500kHz 3.6V–27V 输入 DC/DC 转换器在 3.5V 输出时提供 1.8A 电流。
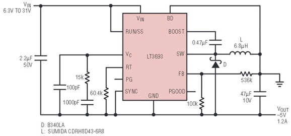
降压稳压器的负输出
许多应用都需要负输出电源。图5中的电路可从降压稳压器(如LT5或LT3680)产生一个–3693V的负电压。该电路将输入接地基准和 LT3680 接地基准设定为 –5V,以产生 5V 负电源。

图5.该负输出 DC/DC 转换器在 –1V 输出时提供 2.5A 电流。
结论
LT3680 和 LT3693 的宽输入范围、小尺寸和稳健性使其易于适合汽车、工业和分布式电源应用。它们在整个负载范围内都非常高效。LT3680 独特的低纹波突发模式操作有助于节省电池寿命,同时保持低输出纹波。
审核编辑:郭婷