全球最实用的IT互联网信息网站!
AI人工智能P2P分享&下载搜索网页发布信息网站地图
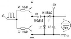
负电压产生电路分析
阅读全文2023-04-20
简述负电压存在的作用
用于监测开关电源工作状态的霍尔电流传感器A
信号完整性与电源完整性必要性分析
LTspice---DC-DC转换器仿真
充电器芯片U6773H表现非凡
如何选择电感 电感感值是不是越大越好?
共模电感和差模电感如何识别
电源纹波正确的测试姿势
将安全身份验证添加到WPC 1.3规范的基本原因
两款SiC MOSFET在智能断路器中的应用分析
LM2773系列 低纹波1.8V/1.6V扩频开关电容降压
TPS63810 2.5A 高效降压-升压转换器,带 I²
TPS63900 1.8V 至 5.5V、75nA IQ 降压-升压转换器
CPU | 内存 | 硬盘 | 显卡 | 显示器 | 主板 | 电源 | 键鼠 | 网站地图
Copyright © 2025-2035 诺佳网 版权所有 备案号:赣ICP备2025066733号 本站资料均来源互联网收集整理,作品版权归作者所有,如果侵犯了您的版权,请跟我们联系。