全球最实用的IT互联网信息网站!
AI人工智能P2P分享&下载搜索网页发布信息网站地图
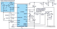
将LTC4120无线电源接收器加倍以实现更高的电池充
阅读全文2023-04-20
具独立输入的高效率双通道升压型稳压器
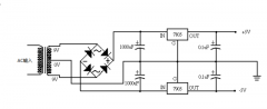
介绍一种负电压生成电路
负电压是如何产生的
采用LTM6的高效率80相4630A降压型稳压器
简述系统里的负电压及正电压转换
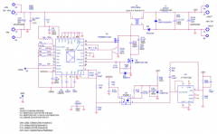
LT3752/LT8311 240W隔离式正激式转换器
转为有源箝位正激式转换器拓扑而优化的PWM控制
电压可以是负的吗?
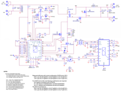
不同的负载电流设计的负电压方案
两款SiC MOSFET在智能断路器中的应用分析
LM2773系列 低纹波1.8V/1.6V扩频开关电容降压
TPS63810 2.5A 高效降压-升压转换器,带 I²
TPS63900 1.8V 至 5.5V、75nA IQ 降压-升压转换器
CPU | 内存 | 硬盘 | 显卡 | 显示器 | 主板 | 电源 | 键鼠 | 网站地图
Copyright © 2025-2035 诺佳网 版权所有 备案号:赣ICP备2025066733号 本站资料均来源互联网收集整理,作品版权归作者所有,如果侵犯了您的版权,请跟我们联系。