全球最实用的IT互联网信息网站!
AI人工智能P2P分享&下载搜索网页发布信息网站地图
基于LM317稳压器的单输出电源电路图
阅读全文2023-08-25
230 VAC输入提供5000VDC输出的高压电源电路图
可调稳压电源怎么使用 大电流可调稳压电源电路
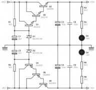
基于晶体管的双输出电源电路图
积层式陶瓷电感和铁氧体电感有何差别?
芯海科技CPW6410获得UFCS融合快充认证
和远气体上半年增收不增利 宜昌电子特气项目下
DC电源模块在工业自动化中的应用
用于高面积容量电池的多功能碳纤维
反激电源MOS D-S之间电压波形产生的原因
两款SiC MOSFET在智能断路器中的应用分析
LM2773系列 低纹波1.8V/1.6V扩频开关电容降压
TPS63810 2.5A 高效降压-升压转换器,带 I²
TPS63900 1.8V 至 5.5V、75nA IQ 降压-升压转换器
CPU | 内存 | 硬盘 | 显卡 | 显示器 | 主板 | 电源 | 键鼠 | 网站地图
Copyright © 2025-2035 诺佳网 版权所有 备案号:赣ICP备2025066733号 本站资料均来源互联网收集整理,作品版权归作者所有,如果侵犯了您的版权,请跟我们联系。