全球最实用的IT互联网站!
人工智能P2P分享搜索全网发布信息网站地图标签大全
S120设备长期放置后直流母线电容能力的恢复步骤
阅读全文2023-07-11
我们该如何运用减法合成的手法模拟这些打击乐
嵌入式这个行业未来十年都不会卷?
智能语音香薰灯:离线语音控制技术的优势与应
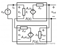
负反馈的非理想因素分析
负反馈特性主要包括哪些?
【英飞凌PSoC 6 RTT开发板试用】信号处理前端之极
Linux内核代码60%都是驱动?
SpringBoot的嵌入式Web容器是什么时候加载的?
展会邀请丨虹科诚邀您7月11日于上海参与慕尼黑
51单片机与stm32单片机,先学习哪一个?
新一代嵌入式开发平台 AMD嵌入式软件和工
睿擎派配件上新!4.3寸/7寸MIPI屏、UVC摄像
使用恩智浦FRDM-MCXN947开发板移植触摸屏
CPU | 内存 | 硬盘 | 显卡 | 显示器 | 主板 | 电源 | 键鼠 | 网站地图
Copyright © 2025-2035 诺佳网 版权所有 备案号:赣ICP备2025066733号 本站资料均来源互联网收集整理,作品版权归作者所有,如果侵犯了您的版权,请跟我们联系。