全球最实用的IT互联网信息网站!
AI人工智能P2P分享&下载搜索网页发布信息网站地图
Maxim RS-232收发器的重要特性
阅读全文2023-03-29
用于SPI和I²C总线信号的电平转换器
使用MAX3157高CMR RS-485收发器
LVDS支持3G基站的高速信号分配
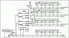
模拟开关扩展I²C接口
将DS1868 3线器件连接至SPI总线
LVDS分路器简化了高速信号分配
使用低压差分信号LVDS进行高速信号分配
副边60W电源管理芯片U6201介绍
SPI通信的四种方式 FPGA的SPI从机实现方案
博世CAN SIC XL收发器ASIC NT156介绍
力特奥维斯Littelfuse解读设计高可靠性的汽
RS485接口电路设计全面指南:从基础到实
如何使用ZPS-CANFD进行CAN信号质量评估?
CPU | 内存 | 硬盘 | 显卡 | 显示器 | 主板 | 电源 | 键鼠 | 网站地图
Copyright © 2025-2035 诺佳网 版权所有 备案号:赣ICP备2025066733号 本站资料均来源互联网收集整理,作品版权归作者所有,如果侵犯了您的版权,请跟我们联系。