全球最实用的IT互联网信息网站!
AI人工智能P2P分享&下载搜索网页发布信息网站地图
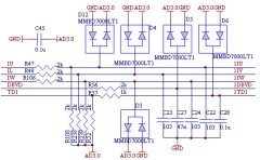
变频器中的器件选取
阅读全文2023-04-08
变频器主回路中驱动电路和保护电路设计
变频器控制电路设计
变频器的辅助电源设计
变频器主电路设计和计算
变频器低电压跳闸的原因与解决方法
PLC如何控制伺服电机?伺服传动系统设计主要过
关于PLC的外部接线维修方法
S7-1500与S7-300PN CPU的TCP通信
电工知识—SIMATIC S7-1500 PLC复位与置位指令与应用
pwm控制的基本原理
日本HarmonicDrive哈默纳科谐波减速机的三大
支持工业4.0工厂的大规模定制、高质量和
机器视觉系统的主要工作流程是怎样的
CPU | 内存 | 硬盘 | 显卡 | 显示器 | 主板 | 电源 | 键鼠 | 网站地图
Copyright © 2025-2035 诺佳网 版权所有 备案号:赣ICP备2025066733号 本站资料均来源互联网收集整理,作品版权归作者所有,如果侵犯了您的版权,请跟我们联系。