全球最实用的IT互联网站!
人工智能P2P分享搜索全网发布信息网站地图标签大全
浅谈电机在电路中的作用和分类
阅读全文2023-03-10
步进电机的双极连接和单极连接驱动方法
混合式步进电机的结构和工作原理
电动机的性能参数指标有哪些
步进电机微步驱动的工作原理
如何控制电机的转速 电机速度太快怎么减速
阅读全文2023-03-09
单相电机反转怎么调 单相电机反转操作步骤
浅谈变频器的控制功能
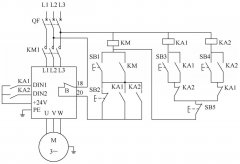
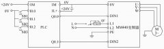
变频器的正反转控制原理详解
变频器的启动方式
pwm控制的基本原理
日本HarmonicDrive哈默纳科谐波减速机的三大
支持工业4.0工厂的大规模定制、高质量和
机器视觉系统的主要工作流程是怎样的
CPU | 内存 | 硬盘 | 显卡 | 显示器 | 主板 | 电源 | 键鼠 | 网站地图
Copyright © 2025-2035 诺佳网 版权所有 备案号:赣ICP备2025066733号 本站资料均来源互联网收集整理,作品版权归作者所有,如果侵犯了您的版权,请跟我们联系。