全球最实用的IT互联网站!
人工智能P2P分享搜索全网发布信息网站地图标签大全
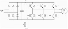
变频器制动、保护电路原理详解
阅读全文2023-03-09
变频器切换控制电路的工作过程
直流电机与交流电机的区别 直流电机与交流电机
电动机和发电机的区别 电动机和发电机的作用
如何知道发动机马力多大 扭矩大好还是马力大好
变频电机型号及参数_变频电机型号表示方法
变频器的组成及分类
工频电机是什么意思_工频电机改变频电机
变频器的工作原理及接线方法
工频电机可以用变频器控制吗_工频电机加装变频
pwm控制的基本原理
日本HarmonicDrive哈默纳科谐波减速机的三大
支持工业4.0工厂的大规模定制、高质量和
机器视觉系统的主要工作流程是怎样的
CPU | 内存 | 硬盘 | 显卡 | 显示器 | 主板 | 电源 | 键鼠 | 网站地图
Copyright © 2025-2035 诺佳网 版权所有 备案号:赣ICP备2025066733号 本站资料均来源互联网收集整理,作品版权归作者所有,如果侵犯了您的版权,请跟我们联系。