全球最实用的IT互联网站!
人工智能P2P分享搜索全网发布信息网站地图标签大全
西门子变频器的制动和散热问题的考虑
阅读全文2023-03-10
永磁直流力矩电机的应用
电机上的旋转变压器有什么用处?它是如何调整
永磁直流力矩电机的工作原理
三相感应电动机的主要结构
三相感应电动机参数测定
三相感应电动机额定电流计算
电机堵转电流为什么会增大_电机堵转电流计算公
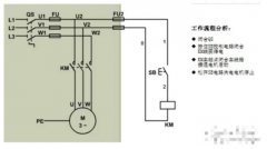
电动机点动控制的工作原理及其特点介绍
plc常用的英语词汇都有哪些
pwm控制的基本原理
日本HarmonicDrive哈默纳科谐波减速机的三大
支持工业4.0工厂的大规模定制、高质量和
机器视觉系统的主要工作流程是怎样的
CPU | 内存 | 硬盘 | 显卡 | 显示器 | 主板 | 电源 | 键鼠 | 网站地图
Copyright © 2025-2035 诺佳网 版权所有 备案号:赣ICP备2025066733号 本站资料均来源互联网收集整理,作品版权归作者所有,如果侵犯了您的版权,请跟我们联系。