全球最实用的IT互联网信息网站!
AI人工智能P2P分享&下载搜索网页发布信息网站地图
高性能有源防磁音箱的制作
阅读全文2010-12-28
电子管有源音箱电路图
书架式有源音箱
阅读全文2010-12-27
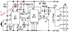
帕斯卡驱动小型重低音音箱电路原理图
车用有源低音炮电路图
汽车音响系统的改造方案
基于J2ME的Sprite手机移动视频监控系统
多媒体超低音有源音箱的制作
阅读全文2010-12-26
教你如何为彩色电视机加装超重低音音箱
自制超低音重放系统
低成本、易部署、更高效 | 千视全NDI IP剧
音频电路供电没有负压也能正常输出的原
富信推出新款双P沟道增强型场效应管FS
制冷系统和制冷机一样吗 制冷系统和制冷
CPU | 内存 | 硬盘 | 显卡 | 显示器 | 主板 | 电源 | 键鼠 | 网站地图
Copyright © 2025-2035 诺佳网 版权所有 备案号:赣ICP备2025066733号 本站资料均来源互联网收集整理,作品版权归作者所有,如果侵犯了您的版权,请跟我们联系。