全球最实用的IT互联网信息网站!
AI人工智能P2P分享&下载搜索网页发布信息网站地图
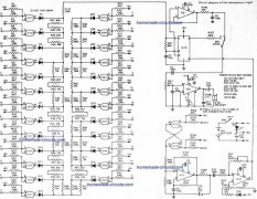
分享一个电子触摸风琴电路
阅读全文2023-06-20
如此重要!R型变压器保护装置解读!
空调系统工作原理 冷水机组的开关机操作流程
音视频集成是什么 音视频和视频有什么区别
阅读全文2023-06-19
DIY一个高保真音频放大器电路
阅读全文2023-06-18
运动传感器风扇电路图分享
家用电器空调中传感器的主要作用
无线间谍麦克风电路图分享
基于LM386的低成本音频放大器电路图
音频均衡器电路的工作原理解析
低成本、易部署、更高效 | 千视全NDI IP剧
音频电路供电没有负压也能正常输出的原
富信推出新款双P沟道增强型场效应管FS
制冷系统和制冷机一样吗 制冷系统和制冷
CPU | 内存 | 硬盘 | 显卡 | 显示器 | 主板 | 电源 | 键鼠 | 网站地图
Copyright © 2025-2035 诺佳网 版权所有 备案号:赣ICP备2025066733号 本站资料均来源互联网收集整理,作品版权归作者所有,如果侵犯了您的版权,请跟我们联系。