全球最实用的IT互联网信息网站!
AI人工智能P2P分享&下载搜索网页发布信息网站地图
au怎么单声道变成双声道 音频输入和aux输入的区
阅读全文2023-05-31
【芯方案】华普微CMT2189D系列动能芯片成功量产落
微波炉工作电路原理图
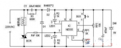
通过555定时器实现电热毯温控器
aux是单声道还是双声道 单声道双声道和立体声的
阅读全文2023-05-30
数字音频技术的原理是什么 立体声是双声道吗
耳机数字音频是什么意思 数字音频的特点与优势
数字音频有哪三类 数字音频的主要技术指标
618MiniLED电视选购攻略:“2个不要,2个标配”
展会直击 | 「智愈之境」特展多维联动,共创全
低成本、易部署、更高效 | 千视全NDI IP剧
音频电路供电没有负压也能正常输出的原
富信推出新款双P沟道增强型场效应管FS
制冷系统和制冷机一样吗 制冷系统和制冷
CPU | 内存 | 硬盘 | 显卡 | 显示器 | 主板 | 电源 | 键鼠 | 网站地图
Copyright © 2025-2035 诺佳网 版权所有 备案号:赣ICP备2025066733号 本站资料均来源互联网收集整理,作品版权归作者所有,如果侵犯了您的版权,请跟我们联系。