全球最实用的IT互联网站!
人工智能P2P分享搜索全网发布信息网站地图标签大全
滤波器设计工具的使用方法
阅读全文2023-10-01
MFB型带通滤波器的仿真分析
电流检测电路的工作原理和计算公式
MLCC在电动汽车领域的应用分析
阅读全文2023-09-29
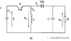
升降压斩波电路工作原理图
EMI/RFI 对调幅收音机有何影响?
浅谈用于Wi-Fi 6 SoC的ADC和DAC IP
分立式仪表放大器与集成仪表放大器的区别
三极管的工作原理是什么
阅读全文2023-09-28
阻抗、反射系数与史密斯圆图解析
数字电压表设计教程之LTC2308数据手册解读
慧能泰负载开关HUSB305A产品介绍
德州仪器新型单级转换器助力微型逆变器
IGBT短路失效分析
CPU | 内存 | 硬盘 | 显卡 | 显示器 | 主板 | 电源 | 键鼠 | 网站地图
Copyright © 2025-2035 诺佳网 版权所有 备案号:赣ICP备2025066733号 本站资料均来源互联网收集整理,作品版权归作者所有,如果侵犯了您的版权,请跟我们联系。