全球最实用的IT互联网站!
人工智能P2P分享搜索全网发布信息网站地图标签大全
1.5v单电池供电的10位ADC转换器电路设计举例
阅读全文2023-10-13
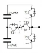
NPC2三电平拓扑横管过压保护开关逻辑
这些功率放大器操作中的常见问题,你都知道吗
高压放大器在声波谐振电小天线收发测试系统中
核芯互联发布高速高精度ADC CL3492
阅读全文2023-10-12
Nexperia超低结电容ESD保护二极管保护汽车数据接口
Microchip与IHWK正在合作开发模拟计算平台
电路可靠性设计之降额参数及降额因子
英飞凌携手英飞源拓展新能源汽车充电市场
Ni掺杂β-Ga2O3单晶的光、电特性研究
阅读全文2023-10-11
数字电压表设计教程之LTC2308数据手册解读
慧能泰负载开关HUSB305A产品介绍
德州仪器新型单级转换器助力微型逆变器
IGBT短路失效分析
CPU | 内存 | 硬盘 | 显卡 | 显示器 | 主板 | 电源 | 键鼠 | 网站地图
Copyright © 2025-2035 诺佳网 版权所有 备案号:赣ICP备2025066733号 本站资料均来源互联网收集整理,作品版权归作者所有,如果侵犯了您的版权,请跟我们联系。