全球最实用的IT互联网站!
人工智能P2P分享搜索全网发布信息网站地图标签大全
Nexperia与KYOCERA AVX Salzburg共同生产碳化硅整流器模
阅读全文2023-10-11
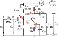
晶体管共射极单管放大器实验步骤
浅析SiC MOS新技术:沟道电阻可降85%
串联型晶体管稳压电源主要技术指标的测试方法
双通道10位ADC SC1205可用于I/Q解调系统,兼容AD92
电子实验与电子制作之晶体管电路
可替代ADC08D1000,SC1281可用于数字存储示波器
英飞凌如何控制基于SiC功率半导体器件的可靠性
介绍采用瑞萨RA2L1作为专用加解密协处理器的方案
阅读全文2023-10-10
掌握晶体管共射极单管放大器静态工作点的调试
数字电压表设计教程之LTC2308数据手册解读
慧能泰负载开关HUSB305A产品介绍
德州仪器新型单级转换器助力微型逆变器
IGBT短路失效分析
CPU | 内存 | 硬盘 | 显卡 | 显示器 | 主板 | 电源 | 键鼠 | 网站地图
Copyright © 2025-2035 诺佳网 版权所有 备案号:赣ICP备2025066733号 本站资料均来源互联网收集整理,作品版权归作者所有,如果侵犯了您的版权,请跟我们联系。