全球最实用的IT互联网站!
人工智能P2P分享搜索全网发布信息网站地图标签大全
集成氮化镓改变了传统的智慧吗
阅读全文2023-04-10
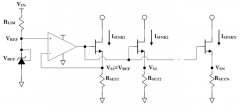
生成任意幅度的偏置电流网络 - 第二部分
萨科微slkor半导体的高速低侧栅极驱动器SL27511介
生成任意幅度的偏置电流网络 - 第一部分
如何产生任意幅度的电流源和汇
无源器件基础知识 常用器件分类介绍
超级电容器:备用电源解决方案
用三极管自制断路检测器
使用运算放大器的RC相移振荡器设计
逐次逼近寄存器型模数转换器输入的注意事项
数字电压表设计教程之LTC2308数据手册解读
慧能泰负载开关HUSB305A产品介绍
德州仪器新型单级转换器助力微型逆变器
IGBT短路失效分析
CPU | 内存 | 硬盘 | 显卡 | 显示器 | 主板 | 电源 | 键鼠 | 网站地图
Copyright © 2025-2035 诺佳网 版权所有 备案号:赣ICP备2025066733号 本站资料均来源互联网收集整理,作品版权归作者所有,如果侵犯了您的版权,请跟我们联系。