全球最实用的IT互联网信息网站!
AI人工智能P2P分享&下载搜索网页发布信息网站地图
中微爱芯推出运算放大器AiP862X系列
阅读全文2025-07-23
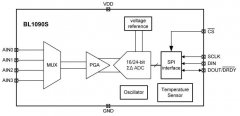
详解上海贝岭16/24位高精度低功耗模数转换器BL
阅读全文2025-07-21
PMOS电路设计分析
借助TI ±80V接地电平转换器解决失调电压挑战
配置四开关降压-升压型µModule稳压器来适应不同
谷泰微发布双刀双掷模拟开关GT4321
三菱电机SiC DIPIPM在变频家电中的应用(2)
阅读全文2025-07-19
三菱电机SiC DIPIPM在变频家电中的应用(1)
Nexperia推出采用铜夹片封装的双极性晶体管
阅读全文2025-07-18
ADBMS6834精度+扩展性无对手 力压群雄
阅读全文2025-07-16
数字电压表设计教程之LTC2308数据手册解读
慧能泰负载开关HUSB305A产品介绍
德州仪器新型单级转换器助力微型逆变器
IGBT短路失效分析
CPU | 内存 | 硬盘 | 显卡 | 显示器 | 主板 | 电源 | 键鼠 | 网站地图
Copyright © 2025-2035 诺佳网 版权所有 备案号:赣ICP备2025066733号 本站资料均来源互联网收集整理,作品版权归作者所有,如果侵犯了您的版权,请跟我们联系。