全球最实用的IT互联网信息网站!
AI人工智能P2P分享&下载搜索网页发布信息网站地图
新型电池发展方向_未来10大最具潜力的锂电池新
阅读全文2019-07-30
2个接触器互锁电路大全
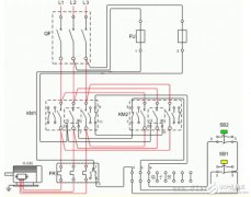
交流接触器自锁互锁电路图
接触器常用接线电路及实物图大全
克拉克森大学团队设计出新型电极 具有可充电电
阅读全文2019-07-29
相对于传统UPS PoEUPS的优势有哪些
东风与襄阳市人民政府等签订战略合作协议 将推
控制电缆型号表示方法_控制电缆型号大全
2019年上半年共有41家风投公司参与电池储能投资
阅读全文2019-07-28
骆驼AGM启停电池受推崇
两款SiC MOSFET在智能断路器中的应用分析
LM2773系列 低纹波1.8V/1.6V扩频开关电容降压
TPS63810 2.5A 高效降压-升压转换器,带 I²
TPS63900 1.8V 至 5.5V、75nA IQ 降压-升压转换器
CPU | 内存 | 硬盘 | 显卡 | 显示器 | 主板 | 电源 | 键鼠 | 网站地图
Copyright © 2025-2035 诺佳网 版权所有 备案号:赣ICP备2025066733号 本站资料均来源互联网收集整理,作品版权归作者所有,如果侵犯了您的版权,请跟我们联系。