全球最实用的IT互联网信息网站!
AI人工智能P2P分享&下载搜索网页发布信息网站地图
一文读懂PFC
阅读全文2023-04-12
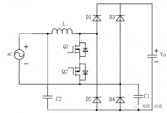
双向开关无桥PFC工作原理
开关电源MOS管损耗
PFC电路分类及其作用
PFC电路的基本结构及工作原理
485隔离电路参考设计
简述无桥PFC的种类
什么是功率因数补偿
模块电源的工作原理测试及应用
Buck电路的多角度分析
两款SiC MOSFET在智能断路器中的应用分析
LM2773系列 低纹波1.8V/1.6V扩频开关电容降压
TPS63810 2.5A 高效降压-升压转换器,带 I²
TPS63900 1.8V 至 5.5V、75nA IQ 降压-升压转换器
CPU | 内存 | 硬盘 | 显卡 | 显示器 | 主板 | 电源 | 键鼠 | 网站地图
Copyright © 2025-2035 诺佳网 版权所有 备案号:赣ICP备2025066733号 本站资料均来源互联网收集整理,作品版权归作者所有,如果侵犯了您的版权,请跟我们联系。