全球最实用的IT互联网信息网站!
AI人工智能P2P分享&下载搜索网页发布信息网站地图
奇瑞 50W车载无线充电模块拆解
阅读全文2023-04-12
电源为什么需要隔离?常见的几种隔离技术及要
大联大世平集团推出基于onsemi产品的高集成准谐
阅读全文2023-04-11
三星15W USB-A充电器内部结构拆解
干货!全面解读电源的相关知识
浅析石墨烯和石墨烯金属化工艺
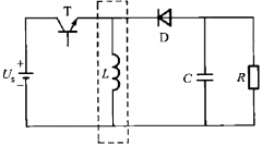
单端反激变换器的工作原理
Angew:高介电固态离子凝胶电解质实现Li+均匀传输
单端正激变换器的工作原理
便携式一体式电源简化电源路径设计内置解决方
两款SiC MOSFET在智能断路器中的应用分析
LM2773系列 低纹波1.8V/1.6V扩频开关电容降压
TPS63810 2.5A 高效降压-升压转换器,带 I²
TPS63900 1.8V 至 5.5V、75nA IQ 降压-升压转换器
CPU | 内存 | 硬盘 | 显卡 | 显示器 | 主板 | 电源 | 键鼠 | 网站地图
Copyright © 2025-2035 诺佳网 版权所有 备案号:赣ICP备2025066733号 本站资料均来源互联网收集整理,作品版权归作者所有,如果侵犯了您的版权,请跟我们联系。