全球最实用的IT互联网信息网站!
AI人工智能P2P分享&下载搜索网页发布信息网站地图
DC-DC电源设计几点经验以及规则
阅读全文2023-04-08
同步降压转换器中的输入和输出电容考量因素
支持高压快充的智能移动电源方案
FP5217兼容TPS61178,内置MOS双节锂电池升压输出12
阅读全文2023-04-07
锂电池是什么时候开始发明出来的?锂电池的优
AC/DC开关电源取代线性电源,发展趋向小型、轻量
全面详解锂离子电池寿命预测模型
原料价格腰斩,产业大洗牌,为啥锂企纷纷被调
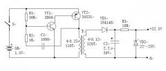
6种常见的DC-DC升压电路讲解
金升阳提高充电桩的低成本B型剩余电流检测方案
两款SiC MOSFET在智能断路器中的应用分析
LM2773系列 低纹波1.8V/1.6V扩频开关电容降压
TPS63810 2.5A 高效降压-升压转换器,带 I²
TPS63900 1.8V 至 5.5V、75nA IQ 降压-升压转换器
CPU | 内存 | 硬盘 | 显卡 | 显示器 | 主板 | 电源 | 键鼠 | 网站地图
Copyright © 2025-2035 诺佳网 版权所有 备案号:赣ICP备2025066733号 本站资料均来源互联网收集整理,作品版权归作者所有,如果侵犯了您的版权,请跟我们联系。