全球最实用的IT互联网信息网站!
AI人工智能P2P分享&下载搜索网页发布信息网站地图
GWh电站时代:中创新航“兼顾”储能本征安全与
阅读全文2023-07-14
锂盐企业H1净利润“跳水”
恒流源驱动电路优缺点,恒流源驱动电路的作用
阅读全文2023-07-13
安费诺EV电动车传感器系列方案
PoE交换机的电源管理解决方案
阅读全文2023-07-12
TL783稳压器保护电路图
阅读全文2023-07-11
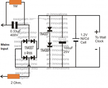
一个简单的无变压器1.5V DC电源电路
阅读全文2023-07-10
硬件设计中RC阻容并联的作用
基于ICL296的大电流开关稳压器电源电路
阅读全文2023-07-07
60亿元!14GWh锂电芯项目开工
两款SiC MOSFET在智能断路器中的应用分析
LM2773系列 低纹波1.8V/1.6V扩频开关电容降压
TPS63810 2.5A 高效降压-升压转换器,带 I²
TPS63900 1.8V 至 5.5V、75nA IQ 降压-升压转换器
CPU | 内存 | 硬盘 | 显卡 | 显示器 | 主板 | 电源 | 键鼠 | 网站地图
Copyright © 2025-2035 诺佳网 版权所有 备案号:赣ICP备2025066733号 本站资料均来源互联网收集整理,作品版权归作者所有,如果侵犯了您的版权,请跟我们联系。