全球最实用的IT互联网信息网站!
AI人工智能P2P分享&下载搜索网页发布信息网站地图
国芯思辰| 碳化硅B2M040120H可替代英飞凌、安森美
阅读全文2023-07-27
H1净利超200亿 解码宁德时代逆周期增长策略
昆仑新材宜宾基地投产 备战创业板IPO
4方势力超1800GWh规划 储能电池“军备赛”打响
电流探头用于传导和辐射测试的原理
一种220V交流电压转换为24V直流电压电路
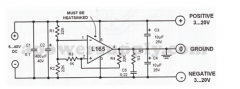
基于L165的对称电源原理图解
阅读全文2023-07-24
2n3055可调电源电路图
7805稳压器电路图
9v稳压电源电路图讲解
两款SiC MOSFET在智能断路器中的应用分析
LM2773系列 低纹波1.8V/1.6V扩频开关电容降压
TPS63810 2.5A 高效降压-升压转换器,带 I²
TPS63900 1.8V 至 5.5V、75nA IQ 降压-升压转换器
CPU | 内存 | 硬盘 | 显卡 | 显示器 | 主板 | 电源 | 键鼠 | 网站地图
Copyright © 2025-2035 诺佳网 版权所有 备案号:赣ICP备2025066733号 本站资料均来源互联网收集整理,作品版权归作者所有,如果侵犯了您的版权,请跟我们联系。