全球最实用的IT互联网信息网站!
AI人工智能P2P分享&下载搜索网页发布信息网站地图
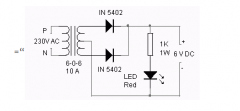
大电流充电器电路图讲解
阅读全文2023-07-28
三元锂离子电池的结构组成、优点及应用领域
飞叠加持 短刀电芯高质高效生产 短刀电芯快速出
ups电源的功能和作用 ups的工作方式与原理
开发出绝对零膨胀电池材料,10C循环17000圈容量保
电容的滤波和退耦的关系
电源电路图及原理讲解 电源电路工作原理图解
igbt模块参数怎么看 igbt的主要参数有哪些?
工业自动化I/O模块为什么要做UL61010认证?
阅读全文2023-07-27
调光电源是什么 调光电源和控制器接线方法
两款SiC MOSFET在智能断路器中的应用分析
LM2773系列 低纹波1.8V/1.6V扩频开关电容降压
TPS63810 2.5A 高效降压-升压转换器,带 I²
TPS63900 1.8V 至 5.5V、75nA IQ 降压-升压转换器
CPU | 内存 | 硬盘 | 显卡 | 显示器 | 主板 | 电源 | 键鼠 | 网站地图
Copyright © 2025-2035 诺佳网 版权所有 备案号:赣ICP备2025066733号 本站资料均来源互联网收集整理,作品版权归作者所有,如果侵犯了您的版权,请跟我们联系。