全球最实用的IT互联网站!
人工智能P2P分享搜索全网发布信息网站地图标签大全
瑞芯微RK3568满负载高温运行温升测试
阅读全文2023-07-07
简单理解抖动Jitter测量
时序分析基本概念介绍<ILM>
智能语音窗帘:离线语音控制技术的优势与应用
M7S架构设计内幕
STBC-MIMO-OFDM系统性能分析
二进制数据在JS程序里的表达
汽车测试及质量监控博览会(中国)——北汇信
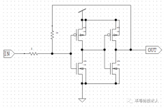
CMOS施密特触发器仿真设计
时序分析基本概念介绍<wire load model>
51单片机与stm32单片机,先学习哪一个?
新一代嵌入式开发平台 AMD嵌入式软件和工
睿擎派配件上新!4.3寸/7寸MIPI屏、UVC摄像
使用恩智浦FRDM-MCXN947开发板移植触摸屏
CPU | 内存 | 硬盘 | 显卡 | 显示器 | 主板 | 电源 | 键鼠 | 网站地图
Copyright © 2025-2035 诺佳网 版权所有 备案号:赣ICP备2025066733号 本站资料均来源互联网收集整理,作品版权归作者所有,如果侵犯了您的版权,请跟我们联系。